Thevenin Equivalent for circuit with diagonal resistors

Click For Summary

Discussion Overview

The discussion revolves around finding the Thevenin equivalent for a specific circuit with diagonal resistors. Participants explore methods for simplifying the circuit and calculating the open-circuit voltage (Voc) across two terminals. The conversation includes attempts at redrawing the circuit for clarity and understanding.

Discussion Character

  • Homework-related
  • Technical explanation
  • Conceptual clarification

Main Points Raised

  • One participant describes their approach to finding the Thevenin equivalent by removing part B of the circuit and attempting to calculate Voc.
  • Another participant suggests redrawing the circuit to simplify the analysis, specifically recommending adjustments to the placement of nodes.
  • A participant shares their revised circuit and the expression they derived for Voc, indicating a voltage divider relationship.
  • There is a suggestion that the potential from terminal b to terminal c may be negative, based on the observed voltage dividers.
  • Participants discuss the importance of visualizing component movement while maintaining interconnections to better understand circuit topology.

Areas of Agreement / Disagreement

Participants generally agree on the value of redrawing the circuit for clarity and the approach to calculating Voc, but there is no consensus on the final expression or the implications of the voltage signs.

Contextual Notes

Participants express uncertainty about the arrangement of components and how it affects the interpretation of the circuit, highlighting the challenge posed by diagonal components.

John Malenay
Messages
3
Reaction score
0

Homework Statement


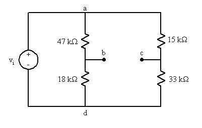
Hi everyone! I'm trying to find the thevenin equivalent for part A of this circuit: http://imgur.com/4Jdg8w8

Homework Equations

The Attempt at a Solution


I first remove part B, that is, open circuit it entirely. Then I try to find Voc across the two terminals that are open. I can see that the 47 Kohm is in series with the 18 Kohm since no circuit flows to the open circuit, and that the 15,000 Kohm is in series with the 33,00 Kohm. However I'm having a lot of trouble redrawing the circuit. Not really sure about how to make it look simpler.
 
Physics news on Phys.org
Hi John, Welcome to Physics Forums!

John Malenay said:

Homework Statement


Hi everyone! I'm trying to find the thevenin equivalent for part A of this circuit: http://imgur.com/4Jdg8w8

Homework Equations

The Attempt at a Solution


I first remove part B, that is, open circuit it entirely. Then I try to find Voc across the two terminals that are open. I can see that the 47 Kohm is in series with the 18 Kohm since no circuit flows to the open circuit, and that the 15,000 Kohm is in series with the 33,00 Kohm. However I'm having a lot of trouble redrawing the circuit. Not really sure about how to make it look simpler.

Yes, redrawing the figure is a good idea. Don't be too concerned about preserving the location of nodes b and c at the right-hand end of the figure. They might be right at home in the middle... Start by migrating b so that it lies vertically between a and d. Does that help you picture what else can be done?
 
gneill said:
Yes, redrawing the figure is a good idea. Don't be too concerned about preserving the location of nodes b and c at the right-hand end of the figure. They might be right at home in the middle... Start by migrating b so that it lies vertically between a and d. Does that help you picture what else can be done?
Hi gneill! I can see that d is directly connected to ground to I rewrote the circuit like this: http://imgur.com/nhnpDNJ

What do you think? The expression I get for Voc is = (18,000/65,000)*Vi
 
That's the voltage at the + terminal of Voc. Now you have to subtract the voltage at the - terminal of Voc from the voltage at the + terminal of Voc. That difference is the voltage Voc.
 
John Malenay said:
Hi gneill! I can see that d is directly connected to ground to I rewrote the circuit like this: http://imgur.com/nhnpDNJ

What do you think? The expression I get for Voc is = (18,000/65,000)*Vi
Okay, I was sort of hoping you'd abandon forcing the b and c nodes to the right of the circuit :smile: You're almost there, but not quite embracing the idea that you can move any component anywhere on the page so long as their interconnections are retained; The circuit topology remains the same so long as all the interconnections are the same.

Here's a re-arrangement of the components on the page that may give you some ideas:

Fig2.gif

Note that all the component connections are the same as in the original.

I'd expect the potential from terminal b to terminal c to end up negative, based on the voltage dividers in evidence.

Clever bit: When a problem is presented to you with diagonal components or crossovers of some type, usually it's meant to confuse your sense of symmetry so you don't recognize a simpler interpretation. Try to practice picturing (in your mind) "moving" components around on the page, keeping their interconnections intact but allowing the wires to stretch and move as required. Eventually you'll be able to "unfold" these circuits instinctively. Or at at least with a small bit of scratchpad doodling :smile:
 
gneill said:
Okay, I was sort of hoping you'd abandon forcing the b and c nodes to the right of the circuit :) You're almost there, but not quite embracing the idea that you can move any component anywhere on the page so long as their interconnections are retained; The circuit topology remains the same so long as all the interconnections are the same.

Here's a re-arrangement of the components on the page that may give you some ideas:

View attachment 73898
Note that all the component connections are the same as in the original.

I'd expect the potential from terminal b to terminal c to end up negative, based on the voltage dividers in evidence.

Clever bit: When a problem is presented to you with diagonal components or crossovers of some type, usually it's meant to confuse your sense of symmetry so you don't recognize a simpler interpretation. Try to practice picturing (in your mind) "moving" components around on the page, keeping their interconnections intact but allowing the wires to stretch and move as required. Eventually you'll be able to "unfold" these circuits instinctively. Or at at least with a small bit of scratchpad doodling :)
Thank you so much for your clear explanation gneill! I'm going to keep practicing!
 

Similar threads

  • · Replies 42 ·
2
Replies
42
Views
7K
  • · Replies 1 ·
Replies
1
Views
2K
  • · Replies 6 ·
Replies
6
Views
2K
  • · Replies 5 ·
Replies
5
Views
3K
  • · Replies 17 ·
Replies
17
Views
3K
  • · Replies 9 ·
Replies
9
Views
6K
  • · Replies 8 ·
Replies
8
Views
3K
  • · Replies 5 ·
Replies
5
Views
4K
  • · Replies 9 ·
Replies
9
Views
5K
  • · Replies 15 ·
Replies
15
Views
12K