Analyzing a circuit with multiple batteries

Click For Summary

Homework Help Overview

The discussion revolves around analyzing a circuit with three capacitors and two batteries. The original poster describes a configuration involving capacitors C1, C2, and C3, along with a 10V and a 20V battery, and seeks to find the charge on the capacitors. The context includes a lack of familiarity with Kirchhoff's laws, as the topic is upcoming in their studies.

Discussion Character

  • Exploratory, Assumption checking, Conceptual clarification

Approaches and Questions Raised

  • Participants discuss the necessity of a circuit diagram for clarity and suggest that the original poster provide one. There are questions about the flow of current in the circuit and how to approach the problem given the presence of multiple batteries. Some participants express uncertainty about solving the problem without using Kirchhoff's laws.

Discussion Status

The discussion is ongoing, with participants providing suggestions for improvement, such as creating a diagram and clarifying equations. Some have offered insights into using Kirchhoff's laws and basic principles of voltage and charge conservation, while others are still grappling with the concepts.

Contextual Notes

There is a noted lack of familiarity with Kirchhoff's laws among participants, which may affect their ability to analyze the circuit effectively. The original poster has indicated a willingness to learn and improve their understanding of the topic.

Krushnaraj Pandya
Gold Member
Messages
697
Reaction score
73

Homework Statement


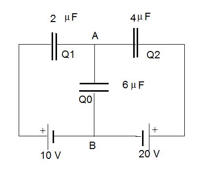
Find charge on 3 capacitors.
Join two squares with one common side. At the middle of the common edge, place C3=6uF (micro-farad).
On upper edge of left square, place C1=2uF. On upper edge of right square place C2=4uF. On lower edge of left square, a battery-10V and on lower edge of right square 20 V
Photo attached, but quality of camera is not really good.

Homework Equations


1)sum of capacitance=equivalent C when in parallel.
2)reciprocal addition when in series
3) all other related to capacitance

The Attempt at a Solution


This is the first time I've encountered multiple batteries in a circuit. Note-Current electricity is the next chapter in our textbook, so I'm not very familiar with Kirchhoff's laws etc. i.e. just the basics.
My intuition was that either two currents will flow from both or a single one from 20 V to to 10 V, how can I know for sure?
I'd greatly appreciate some help, thank you
 

Attachments

  • WIN_20180807_22_37_00_Pro.jpg
    WIN_20180807_22_37_00_Pro.jpg
    11.2 KB · Views: 520
Last edited:
Physics news on Phys.org
Krushnaraj Pandya said:
Find charge on 3 capacitors.
Join two squares with one common side. At the middle of the common edge, place C3=6uF (micro-farad).
On upper edge of left square, place C1=2uF. On upper edge of right square place C2=4uF. On lower edge of left square, a battery-10V and on lower edge of right square 20 V
Instead of this description, a circuit diagram would be much more helpful, for you and for the helpers. It is going to be difficult for the helpers to explain and take you through the solution without a diagram. You can post the diagram using the UPLOAD button below the text-editor.
Krushnaraj Pandya said:

Homework Equations


All related
That's one of the important pre-requisites for posting in the HH forum. You need to post the relevant equations, with an attempt at a solution. Without any attempt from the OP, members are not allowed to help them.
 
cnh1995 said:
Instead of this description, a circuit diagram would be much more helpful, for you and for the helpers. It is going to be difficult for the helpers to explain and take you through the solution without a diagram. You can post the diagram using the UPLOAD button below the text-editor.

That's one of the important pre-requisites for posting in the HH forum. You need to post the relevant equations, with an attempt at a solution. Without any attempt from the OP, members are not allowed to help them.
Alright. I was avoiding a picture due to my poor webcam quality. I'll write out my intuitions in attempt at a solution and post a picture. Thank you.
 
Anyone?
 
Krushnaraj Pandya said:

Homework Statement


Find charge on 3 capacitors.
Join two squares with one common side. At the middle of the common edge, place C3=6uF (micro-farad).
On upper edge of left square, place C1=2uF. On upper edge of right square place C2=4uF. On lower edge of left square, a battery-10V and on lower edge of right square 20 V
Photo attached, but quality of camera is not really good.

Homework Equations


1)sum of capacitance=equivalent C when in parallel.
2)reciprocal addition when in series
3) all other related to capacitance

The Attempt at a Solution


This is the first time I've encountered multiple batteries in a circuit. Note-Current electricity is the next chapter in our textbook, so I'm not very familiar with Kirchhoff's laws etc. i.e. just the basics.
My intuition was that either two currents will flow from both or a single one from 20 V to to 10 V, how can I know for sure?
I'd greatly appreciate some help, thank you
As relevant equations, you need the one how the voltage across a capacitor depends on the charge and capacitance. The other one is the addition of voltages, (potential differences) that is, if UAB is the voltage across points A and B and UBC is the voltage across B and C, then the voltage across A and C is UAC=UAB+UBC.
 
Krushnaraj Pandya said:
Alright. I was avoiding a picture due to my poor webcam quality. I'll write out my intuitions in attempt at a solution and post a picture. Thank you.
You certainly have some drawing program on your computer, Paint, for example. Make a drawing, copy, and paste it into your post, like I did :

upload_2018-8-8_6-48-59.png
 

Attachments

  • upload_2018-8-8_6-48-59.png
    upload_2018-8-8_6-48-59.png
    2.1 KB · Views: 833
ehild said:
You certainly have some drawing program on your computer, Paint, for example. Make a drawing, copy, and paste it into your post, like I did :

View attachment 229030
That's a really good idea! I'll do that from next time. Thanks a lot for drawing this :D
 
ehild said:
As relevant equations, you need the one how the voltage across a capacitor depends on the charge and capacitance. The other one is the addition of voltages, (potential differences) that is, if UAB is the voltage across points A and B and UBC is the voltage across B and C, then the voltage across A and C is UAC=UAB+UBC.
The edit button is gone, I can't add the equation or your drawing...
 
Krushnaraj Pandya said:
The edit button is gone, I can't add the equation or your drawing...
Write an other post with the new equations and drawing. You can copy my picture and paste into your new post.
 
  • #10
ehild said:
Write an other post with the new equations and drawing. You can copy my picture and paste into your new post.
how do I delete this one though?
 
  • #11
You said Kirchoff's laws are in the next chapter of your textbook, I have big trouble understanding how we can solve this without using Kirchoff's laws.

Using kirchhoffs laws ,specifically KVL, you can make one equation for the closed loop that contains C1, C0 and 10V, another equation from the closed loop that contains C2,C0 and 20V, and the third equation will come from KCL and will be an equation between the charges on the capacitors Q0,Q1 and Q2.
 
  • #12
Krushnaraj Pandya said:
how do I delete this one though?
No need to delete. Just post an answer with picture, equation and attempts.
 
  • #13
Delta² said:
You said Kirchoff's laws are in the next chapter of your textbook, I have big trouble understanding how we can solve this without using Kirchoff's laws.

Using kirchhoffs laws ,specifically KVL, you can make one equation for the closed loop that contains C1, C0 and 10V, another equation from the closed loop that contains C2,C0 and 20V, and the third equation will come from KCL and will be an equation between the charges on the capacitors Q0,Q1 and Q2.
Kirchhoff's Laws refer to voltages and currents, but you can apply more basic rules here: The definition of voltage between two points as the work done by the electric field between those points, and as work, it is additive.
The other basic law is that charge can not be created or destroyed. If three capacitor plates are connected, and no charge was given to the junction, the net charge on the plates remains zero. Kirchhoff's Laws follow from these more basic Laws, + Ohm's Law.
 
  • Like
Likes   Reactions: Delta2
  • #14
ehild said:
Kirchhoff's Laws refer to voltages and currents, but you can apply more basic rules here: The definition of voltage between two points as the work done by the electric field between those points, and as work, it is additive.
The other basic law is that charge can not be created or destroyed. If three capacitor plates are connected, and no charge was given to the junction, the net charge on the plates remains zero. Kirchhoff's Laws follow from these more basic Laws, + Ohm's Law.
Thanks ehild, I had almost forgot that KCL is a consequence of the principle of conservation of charge, and KVL is a consequence of principle of conservation of energy.
 
  • #15
Delta² said:
You said Kirchoff's laws are in the next chapter of your textbook, I have big trouble understanding how we can solve this without using Kirchoff's laws.

Using kirchhoffs laws ,specifically KVL, you can make one equation for the closed loop that contains C1, C0 and 10V, another equation from the closed loop that contains C2,C0 and 20V, and the third equation will come from KCL and will be an equation between the charges on the capacitors Q0,Q1 and Q2.
Alright, so I've come back after learning Kirchhoff's Laws. Simple question- Why do we consider only the current coming from 10 V while considering the loop containing C1, C0 and 10V and similarly for the other loop.
Isn't a part of the current from the other battery also entering the second loop?
 
  • #16
first of all in the equilibrium state all the currents will be zero. But in the transient state, yes there will be part of current from one battery entering the other. To see this clearly, what equation can you make for the currents, using KCL at point A (or at point B)?
 

Similar threads

Replies
5
Views
2K
  • · Replies 8 ·
Replies
8
Views
2K
  • · Replies 6 ·
Replies
6
Views
2K
  • · Replies 2 ·
Replies
2
Views
4K
Replies
3
Views
3K
  • · Replies 7 ·
Replies
7
Views
3K
  • · Replies 10 ·
Replies
10
Views
2K
  • · Replies 3 ·
Replies
3
Views
2K
Replies
6
Views
4K
  • · Replies 12 ·
Replies
12
Views
2K