Find Current Drawn from Independent Voltage Source: Node Analysis

Click For Summary

Discussion Overview

The discussion revolves around using node voltage analysis to determine the current drawn from an independent voltage source in a given circuit. Participants explore the application of Kirchhoff's Current Law (KCL) and the implications of having an independent voltage source in the circuit configuration.

Discussion Character

  • Homework-related
  • Mathematical reasoning
  • Technical explanation
  • Debate/contested

Main Points Raised

  • One participant presents their attempt at solving the circuit using KCL at each node and arrives at a voltage of v1 = -6.375 V, leading to a calculated current of 18.75 A, which they question as being too high.
  • Another participant suggests that the presence of the independent voltage source simplifies the analysis by reducing the number of node equations needed, asserting that their calculation yields a more reasonable v1 = 1.375 V.
  • A third participant notes that the voltage source can be treated as connected to ground, implying different analysis methods if it were positioned between nodes.
  • Concerns are raised about the application of KCL, with a participant pointing out a potential mistake in the formulation of the node equations, emphasizing the need for consistent current directionality.
  • Another participant agrees and suggests rechecking the current directions for the first node to ensure accuracy in the equations.

Areas of Agreement / Disagreement

Participants express differing views on the correct application of KCL and the resulting node equations, indicating that multiple competing interpretations and calculations exist without a consensus on the correct approach or results.

Contextual Notes

Participants highlight the importance of correctly defining current directions and the implications of the independent voltage source on the node equations, but specific assumptions or definitions remain unresolved.

srh
Messages
7
Reaction score
0

Homework Statement


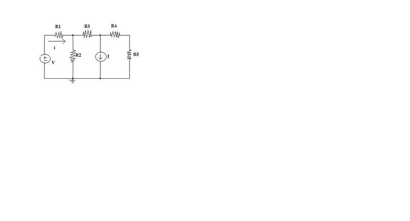
(I have attached a picture of the circuit)
Using node voltage analysis in the circuit, find the current i drawn from the independent voltage source. Let V=3V, R1=1/2, R2=1/2, R3=1/4, R4=1/2, R5=1/4, I=0.5.


Homework Equations


I=V/R


The Attempt at a Solution


I haven't seen one like this w/ the independent voltage source, is it solved the same way? I tried to perform KCL at each node and got:
node 1: (V-v1)/R1 + v1/R2 + (v1-v2)/R3 = 0
node 2: (v1-v2)/R3 + (v3-v2)/R4 = I
node 3: (v3-v2)/R4 + v3/R5 = 0

When I substituted for V, I, R1, R2, R3, R4 and R5 and entered in the matrix I got:
v1=-6.375
Then I related i=(V-v1)/R1. I got an answer of 18.75 A. I thought the answer maybe sounded high and was wondering if I had messed up somewhere.
 

Attachments

  • circuits2.JPG
    circuits2.JPG
    4.5 KB · Views: 417
Physics news on Phys.org
srh said:

The Attempt at a Solution


I haven't seen one like this w/ the independent voltage source, is it solved the same way?

Yes, but it's even better because an independent voltage source puts a constraint on the node voltages. The independent source is the reason that you have 3 node equations instead of 4.

v1=-6.375

Taking the current through R1, R2, and R3 to be going to the left, and taking the current through R2 and R5 to be going down, I wrote down the node equations and solved the model to find that v1=1.375 V (I did this all by hand mind you, so let the buyer beware), which will give a more reasonable current. Check your equations to make sure that you were consistent with the directions of your currents.
 
Keep in mind that the voltage source can be treated this way because it's connected to ground. If it wasn't, as in it is inbetween two nodes, you'd just have to use a supernode with a supplemental.
 
You only need to perform KCL at the nodes with more than 2 branches. And in the figure, there are only 2 such nodes (excepting the ground), i.e., the one common to R1, R2 and R3; and another common to R3, R4 and the current source.

srh said:
node 1: (V-v1)/R1 + v1/R2 + (v1-v2)/R3 = 0

There is a mistake here. KCL requires either (1) the sum of all currents leaving the node equals zero, or (2) the sum of all currents entering the node equals zero. What you wrote above (for node 1) is not consistent with (1) or (2).
 
Indeed, recheck your current directions for node 1 (R1, R2, and R3).
 

Similar threads

  • · Replies 1 ·
Replies
1
Views
3K
Replies
15
Views
3K
  • · Replies 3 ·
Replies
3
Views
2K
  • · Replies 4 ·
Replies
4
Views
2K
  • · Replies 5 ·
Replies
5
Views
2K
  • · Replies 15 ·
Replies
15
Views
4K
Replies
5
Views
4K
  • · Replies 12 ·
Replies
12
Views
2K
  • · Replies 7 ·
Replies
7
Views
2K
  • · Replies 10 ·
Replies
10
Views
4K