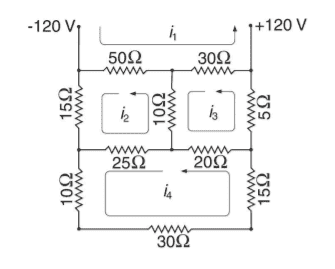
Kirchoff's voltage law applied to this circuit with three loops

Click For Summary

Discussion Overview

The discussion revolves around applying Kirchhoff's voltage law (KVL) to a circuit with three loops, focusing on determining the loop currents i1 to i4. The context is primarily homework-related, with participants seeking assistance in formulating and solving the relevant equations.

Discussion Character

  • Homework-related
  • Mathematical reasoning
  • Technical explanation

Main Points Raised

  • One participant expresses difficulty in starting the problem and requests help.
  • A participant suggests that the original poster should list the KVL equations for each loop to solve the simultaneous equations.
  • The original poster provides their KVL equations for each loop but expresses uncertainty about their correctness.
  • Another participant points out that the potential source should not be included in all loop equations and suggests checking the resistor sums in the equations.
  • The original poster acknowledges a mistake in their equation for the i4 loop and questions the potential difference (PD) across the circuit components.
  • A participant clarifies that the PD is not uniform across all components due to the presence of resistors affecting the potential drops.
  • The original poster asks how to calculate the potential in each loop, indicating a lack of familiarity with circuit analysis.
  • Another participant advises that potentials can be calculated by solving the circuit equations and applying Ohm's law once the currents are known.

Areas of Agreement / Disagreement

Participants do not reach a consensus on the correctness of the original equations, and there are multiple viewpoints regarding the treatment of potential differences in the circuit.

Contextual Notes

There are unresolved issues regarding the accuracy of the KVL equations and the assumptions about potential differences across components in the circuit.

Doomkey
Messages
4
Reaction score
0
Homework Statement
Determine the loop currents i1 to i4 in the electrical network shown
Relevant Equations
I in = I out V = IR
I'm stuck straight out of the gate any help is really appreciated
 

Attachments

  • Kirchoff.png
    Kirchoff.png
    6.4 KB · Views: 235
Physics news on Phys.org
Doomkey said:
Homework Statement:: Determine the loop currents i1 to i4 in the electrical network shown
Relevant Equations:: I in = I out V = IR

I'm stuck straight out of the gate any help is really appreciated
Welcome to PhysicsForums. :smile:

We are not allowed to help you until you show your best efforts to work the problem.

Start by listing the KVL equations for each loop. They say how you would go about solving those simultaneous equations...
 
  • Like
Likes   Reactions: Doomkey
Oh sorry I'm quite new so didn't know the rules, thank you for replying

70i1-50i2-30i3=240v for the i1 loop
100i2-50i1-25i4-10i3=240v for the i2 loop
65i3-10i2-30i1-20i4=240v for the i3 loop
50i4-25i2-20i3=240v for the i4 loop

my problem is I'm not confident I'm making the simultaneous equations correctly, but if I am then I can simply fiddle around with them until I get a result for one of the loops then plug that back into the other equtions and work from there
 
I see a 240 V potential source in only one loop. You seem to have it in all the loop equations.

Check the resistor sum for i4 in your final equation.

edit: Also check the resistor sum for i1 in your first equations! What's 50 + 30?
 
  • Like
Likes   Reactions: Doomkey
100i4-25i2-30i3 for the i4 loop, I was making the three resistors in series into one resistor but realized my mistake. I thought the PD for the whole circuit would be 240V and as they're all in parallel shouldn't they all have the same PD?
 
Doomkey said:
I thought the PD for the whole circuit would be 240V and as they're all in parallel shouldn't they all have the same PD?
Nope. The 120 V potentials are only at the top nodes of the diagram. After that there are resistors in the way, so potential drops due to current flows.
 
  • Like
Likes   Reactions: Doomkey
How would I go about calculating how much potential is in each loop? sorry if I'm asking obvious questions but circuits are my weakest subject and having two nodes at the top not connected to each other is something I've never come across
 
You calculate potentials in a circuit by solving the circuit equations. Once you know the currents, you can calculate the potential across any component via the net current passing through it. Ohm's law!
 

Similar threads

  • · Replies 4 ·
Replies
4
Views
2K
  • · Replies 5 ·
Replies
5
Views
2K
  • · Replies 4 ·
Replies
4
Views
2K
  • · Replies 8 ·
Replies
8
Views
2K
  • · Replies 42 ·
2
Replies
42
Views
7K
  • · Replies 2 ·
Replies
2
Views
3K
Replies
8
Views
2K
  • · Replies 35 ·
2
Replies
35
Views
4K
  • · Replies 16 ·
Replies
16
Views
2K
  • · Replies 1 ·
Replies
1
Views
2K