Need Help wiring 24VAC Sprinkler System

  • Thread starter Thread starter fazlis85
  • Start date Start date
  • Tags Tags
    System Wiring
Click For Summary

Discussion Overview

The discussion revolves around wiring a 24VAC sprinkler system with two timers controlling a main valve and multiple zones. Participants explore the implications of connecting two power sources to a single solenoid while ensuring safety and functionality.

Discussion Character

  • Technical explanation
  • Debate/contested
  • Experimental/applied

Main Points Raised

  • One participant describes the setup of two timers controlling a main valve and multiple zones, emphasizing the need for isolation to prevent simultaneous activation.
  • Some participants propose that wiring both timers in parallel could work if the polarity is correct, but caution about the risk of a 48V short if the timers are reversed.
  • Another participant suggests programming the timers to avoid overlap as a potential solution.
  • Concerns are raised about building codes requiring the use of relays for safety and reliability, with one participant advocating for relays over diodes.
  • Participants discuss the differences between AC and DC relays, including their construction and suitability for the application.
  • One participant questions how to power the valve solenoid if the timers are used to trigger relays, given the lack of a constant 24VAC source at the valve location.
  • Another participant warns against paralleling the 24VAC sources without ensuring they are equal in voltage, highlighting safety concerns.

Areas of Agreement / Disagreement

Participants express differing views on the safety and feasibility of wiring the timers in parallel. While some believe it can work with correct polarity, others emphasize the risks involved and suggest alternative solutions like using relays or additional main valves. The discussion remains unresolved regarding the best approach.

Contextual Notes

Participants note the importance of polarity and the potential for damage if not handled correctly. There are also concerns about local building codes and the adequacy of the proposed solutions.

fazlis85
Messages
5
Reaction score
0
Background Info: I have just expanded my already huge sprinkler system (16+ zones). The old timer only controlled 12 zones so I added an additional timer to control the new valves/solenoid. Each timer needs to output 24VAC to the main valve solenoid and one respective valve (without the main valve turned on, there will be no water reaching my other valves). So the old timer controls 12 zones (from before) + Main Valve & the new timer controls 4 (new zones) + Main Valve. The main valve must be turned on to let water flow to the manifold where the other valves are.

With one timer, life was simple. 2 leads (24VAC polarity doesn't matter) went to the main valve and the timer would turn it on at the beginning of the watering cycle (it would also turn on each zone one at a time to cover all of the backyard).

Now with two timers, both timers will need to turn on this main valve solenoid. At most times (ideally), only one timer will be supplying power to the main valve. However I want to play it safe (in case both timers decide to turn on at the same time) and feed 24V to the same main valve. I need to isolate the two sources.

Soo...I have two 24VAC sources and need one output to the solenoid of the main valve. If either one of the sources is active/triggered by any of the timers, output should shoot 24VAC. Sprinkler Valve Solenoid shouldn't take more than 2 amps

Now I was thinking of using a couple of diodes but remembering back from college, I think they are effective for DC circuits (and only half way block AC current). Please help me create a diode/relay schematic to put this together or if there are any other suggestions.
 
Engineering news on Phys.org
As long as you get the polarity right, you should be able to wire both timers to the same valve without any problems, if one timer turns the valve on, it will be energized only by that timer. If both decide to turn the valve on at the same time, both timers will share the load of the valve and if one turns off, it will still be supplied power from the other timer until neither timer needs the main water manifold turned on. It is vary important to get the polarity (phasing) right, because if they are reversed, you will get a 48V short (not just 24V) thru both timers if they both turn on at the same time and will most likely damage one if not both of your timers. If your still worried about it, can't you just program your timers so that only one will be operating at a time?
 
famousken said:
As long as you get the polarity right, you should be able to wire both timers to the same valve without any problems, if one timer turns the valve on, it will be energized only by that timer. If both decide to turn the valve on at the same time, both timers will share the load of the valve and if one turns off, it will still be supplied power from the other timer until neither timer needs the main water manifold turned on. It is vary important to get the polarity (phasing) right, because if they are reversed, you will get a 48V short (not just 24V) thru both timers if they both turn on at the same time and will most likely damage one if not both of your timers. If your still worried about it, can't you just program your timers so that only one will be operating at a time?

Even though I would program the two so that there are no overlaps...I wanted it to be idiot proof in case one of the kids decided to fiddle around.

So your saying even if both timers are ON, they will not back-feed each other as long as the polarity of the timers is the same? I would wire this as both common of both timers on one leg of solenoid & both hot of both timers on the other leg of solenoid? (AC solenoid has no polarity)
 
Yes, as long as the polarity is the same, basically what you would be doing is wiring the outputs in parallel. If you aren't comfortable doing that, I just thought of another solution by putting an additional main valve in there, so you would have two main valves, each controlled by each timer.
 
Building codes may require you to use only relays. Relay logic is common in complex building wiring systems, especially those involved in safety and fire protection. Relays are more idiot-proof than semiconductors.
Bob S
 
famousken said:
Yes, as long as the polarity is the same, basically what you would be doing is wiring the outputs in parallel. If you aren't comfortable doing that, I just thought of another solution by putting an additional main valve in there, so you would have two main valves, each controlled by each timer.

My understanding was that having two positives together on at the same time could short either or both of the timers. But if this is not the case, then this seems like the easiest option. The main valve is practically buried and if I can, I would like to avoid digging and re-plumbing :)

Bob S said:
Building codes may require you to use only relays. Relay logic is common in complex building wiring systems, especially those involved in safety and fire protection. Relays are more idiot-proof than semiconductors.
Bob S

I took a trip to Radio Shack but unfortunately the guy there wasn't much of a help on AC relays. They carried mostly 12VDC relays (4 and 5 pin, 85,86,87 & 30). I understand the logic behind how a relay works but just wanted some help in practical terms. Which 24VAC relay should I use? Do they have a similar pin configuration as DC relays?
 
Summit electric has 24Vac relays. The ac relays differ from dc relays in that the iron laminations are thinner (I think) to minimize eddy currents, and the magnetic field configuration is slightly different.

In Summit online catalog
============================
SQUARE D 8501KP12V14 24V RELAY
SQUARE D COMPANY
Mfgr Part No: 8501KP12V14
Minimum Quantity: 1
Unit of Measure: EA
Poles: DPDT
Coil Voltage: 24VAC
Contact Capacity (Amps): 10A @ 240VAC RESISTIVE
Terminal Style: 8 PIN TUBULAR
Uses Socket Number: SQ8501NR51 OR NR52
Price: $27.69 / 1 EA
===================================
Holy Cow these things are expensive. Check building codes.

Bob S
 
Bob S said:
Summit electric has 24Vac relays. The ac relays differ from dc relays in that the iron laminations are thinner (I think) to minimize eddy currents, and the magnetic field configuration is slightly different.

In Summit online catalog
============================
SQUARE D 8501KP12V14 24V RELAY
SQUARE D COMPANY
Mfgr Part No: 8501KP12V14
Minimum Quantity: 1
Unit of Measure: EA
Poles: DPDT
Coil Voltage: 24VAC
Contact Capacity (Amps): 10A @ 240VAC RESISTIVE
Terminal Style: 8 PIN TUBULAR
Uses Socket Number: SQ8501NR51 OR NR52
Price: $27.69 / 1 EA
===================================
Holy Cow these things are expensive. Check building codes.

Bob S

Damn...those are expensive! Another question, if each timer will be powering the coil of each relay, what will power the valve solenoid? Will i need another transformer to create a circuit between the output of relay and the solenoid. Basically the relay would be a switch correct?

The main valve is on the other side of the property (50ft) and I don't have power there to run a separate transformer. All I have are the four wires coming from two timers (wires were buried with the water pipe).
 
If the main valve wants 24Vac, give it 24Vac. Don't try 24Vdc or half-rectified 24Vac because the inductance may be part of the electrical impedance of the main valve relay. Where do your timers get 24Vac?
Bob S
 
  • #10
Both electronic timers have built in 24vac transformers. Maybe I wasn't clear, I wasn't going to rectify the voltage. Instead I was curious that if both the timers are used as triggers for the relays, where would the current come to power on the solenoid. I don't exactly have a constant 24vac source. Just a switched 2 switch sources from the timers.
 
  • #11
Unless you know that the 24 volt sources are exacly equal in voltage, (and you don't) it is probably not safe to put them in parallel, which is what you said originally.

One way that sorts this out is to have two new relays arranged so that if one is activated, it removes power from the other.
This way, you can't have both power sources supplying the main solenoid at the same time.


retic.PNG


In the diagram, you can see that each relay coil will be activated by one incoming 24 V supply and when it does, it cuts off the line from the other power source to the main solenoid. So, the first power source to be turned on will be the one that supplies power to the solenoid.
 
Last edited:
  • #12
fazlis85 said:
Even though I would program the two so that there are no overlaps...I wanted it to be idiot proof in case one of the kids decided to fiddle around.

So your saying even if both timers are ON, they will not back-feed each other as long as the polarity of the timers is the same? I would wire this as both common of both timers on one leg of solenoid & both hot of both timers on the other leg of solenoid? (AC solenoid has no polarity)

vk6kro said:
Unless you know that the 24 volt sources are exacly equal in voltage, (and you don't) it is probably not safe to put them in parallel, which is what you said originally.

One way that sorts this out is to have two new relays arranged so that if one is activated, it removes power from the other.
This way, you can't have both power sources supplying the main solenoid at the same time.


View attachment 21377

In the diagram, you can see that each relay coil will be activated by one incoming 24 V supply and when it does, it cuts off the line from the other power source to the main solenoid. So, the first power source to be turned on will be the one that supplies power to the solenoid.
Well if he was going to do it that way, just get one relay, have one timer connected to the coil, the other timer connected directly to the valve, and the 24V power source connected to the contacts of the relay, and the valve connected to the N.O. contacts of the relay. In this setup, if the timer connected to the coil is "on" it will energize the relay, connecting the other timers power source to the valve, and if the other timer will control the valve directly. If both timers are signaling "on" at the same time, it is of no conciquence, because the valve, in the end is only powered by one power supply. For that matter, just get one big power supply to power both timer units, hook the main valve outputs in parallel and be done with it.
 
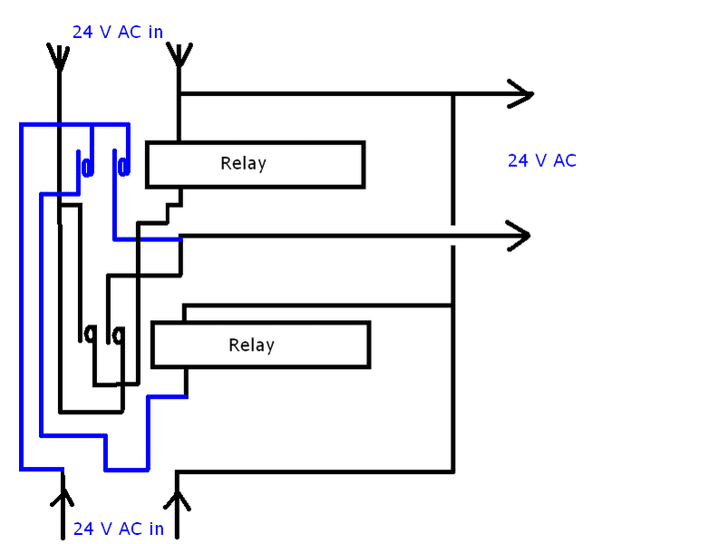
  • #13
Here is a simpler version of the switch.

Retic 2.PNG


The top 24 volt supply gets used if the bottom one isn't powered on.

If the bottom one is powered the relay pulls in and power comes from the bottom 24 volt supply.

If the top one also comes on, it doesn't matter because there is no path from that supply to the output.
 
Last edited:
  • Like
Likes   Reactions: TRichards

Similar threads

  • · Replies 14 ·
Replies
14
Views
3K
  • · Replies 1 ·
Replies
1
Views
3K
Replies
23
Views
5K
  • · Replies 4 ·
Replies
4
Views
3K
  • · Replies 7 ·
Replies
7
Views
3K
  • · Replies 5 ·
Replies
5
Views
6K
  • · Replies 3 ·
Replies
3
Views
2K
Replies
1
Views
2K
  • · Replies 5 ·
Replies
5
Views
2K
  • · Replies 37 ·
2
Replies
37
Views
5K