Need help with MOSFETs and photoresistors

Click For Summary

Discussion Overview

The discussion revolves around the construction of a light-steered robot using photoresistors and MOSFETs. Participants explore the functionality of MOSFETs as switches in the circuit, the correct schematic representation, and the challenges faced in assembling the components on a breadboard.

Discussion Character

  • Technical explanation
  • Conceptual clarification
  • Debate/contested
  • Homework-related

Main Points Raised

  • One participant describes the intended function of the robot, where photoresistors control motors based on light detection.
  • Another participant explains that MOSFETs act as switches and questions the current flow through reverse-biased photodiodes.
  • Concerns are raised about the schematic, specifically regarding the type of MOSFETs used and their correct orientation.
  • Participants discuss the need for clarity on the components, including verifying whether photoresistors or photodiodes are being used.
  • One participant expresses difficulty in understanding how to use MOSFETs and requests simpler documentation.
  • Another participant provides a tutorial link and emphasizes the importance of understanding the MOSFET pin configuration and operation.
  • Clarifications are made regarding the operation of enhancement mode MOSFETs and the relationship between the gate, source, and drain.
  • Participants discuss the importance of resistor values and their role in the circuit.
  • One participant shares a link to a schematic and asks for feedback on their understanding of the connections.
  • Another participant mentions testing the circuit but reports that it does not function as expected, raising questions about resistor values and circuit design.

Areas of Agreement / Disagreement

There is no consensus on the correct schematic representation of the MOSFETs, and multiple viewpoints exist regarding their configuration and functionality. Participants express varying levels of understanding and clarity about the components and their connections.

Contextual Notes

Participants note potential confusion regarding the type of MOSFETs (N-channel vs. P-channel) and the correct orientation in the schematic. There are also unresolved questions about the specific resistor values needed for the circuit.

Who May Find This Useful

This discussion may be useful for students or hobbyists working on similar robotics projects involving light sensors and MOSFETs, as well as those seeking to understand the practical application of these components in circuit design.

hugo_faurand
Messages
62
Reaction score
10
Hello everyone !

At High School I have to make a little robot which is steerable with light. It has 2 photoresistors, if a photoresistor received light it switches on a motor. That allows us to go leftward or rightward. But, I have a problem. I don't manage to link every components between us on the breadbord. My teacher gives me this sketch with a Mosfet on it. But I don't know how a mosfet works and why it is here.

VIOu9r9.png


Well.
If anyone can help me, it would be very amiable.
Thanks in advance

HugoP-S I'm french, so if there is some mistakes it's "normal" if I can say that.
 

Attachments

  • VIOu9r9.png
    VIOu9r9.png
    4.4 KB · Views: 1,477
Engineering news on Phys.org
The MOSFETs are acting as switches. When gate voltage goes high enough the MOSFET turns on, and provides a path for motor current to flow. Those photoresistors probably aren't; they are drawn as reverse biased photodiodes.

Does very much or very little current flow through a reverse biased diode?
What happens at the photodiode junction when provided a light source?
How does this affect voltage at the resistor-gate connection?
 
Maybe it's just me, but those MOSFETS don't look quite right. Aren't they P channel FETs? If so, aren't they placed in the schematic wrong? Unless schematic convention is quite loose I am about positive that is wrong. There is no part number given either. To get a P channel FET to conduct you have to make the gate negative relative to the source. Aren't they typically used as a high side driver? These FETs are switching the low side.
 
@Averagesupernova & @Asymptotic OK, visibly the schematic has some problems maybe we can let it apart for the moment.
Actually, when a photoresistor received light it switches on its motor (each photoresistor has a motor to control). If the photoresistor on the right received light, it switches on the right motor and the robot goes rightward (same for the left side). I don't know if I'm clear. Otherwise, I'veunderstood that Mosfet works like a switch. But what would be on gate ? ON the drain ? ON the source.

Thanks in advance.
 
I don't really understand your last post. Have you built this? How much have you built if any? Do you have part numbers for the MOSFETs? Can you verify if you have photoresistors or photodiodes? There is a big difference.
 
What about the MOSFETs? Do you have part numbers?
 
The MOSFET in the link you provided is an N channel MOSFET and the one in the schematic is a P channel. Do you know how to hook it up? Do you know the difference between the three pins? Do you have documentation to show how it is to be hooked up? Do you have resistor values? I think that you will need to use some very small motors otherwise the MOSFETs could likely be damaged.
 
  • #10
@Averagesupernova This is my problem with MOSFET. I don't find any document enough simple to understand to know how I should use MOSFETs. I think that's why I don't manage to hook up up the pins on the breadboard. Otherwise, motors that I use are very small, that's vibrating motor ( I don't know if it's the right name but I think you know what I mean).
 
  • #12
I will try to lead you through it. The first thing I would like you to do is redraw the little arrows on the MOSFETs in your schematic to point the other way. The way they are drawn they are P channel FETs and the BS170 is an N channel FET. N channel FETs are what you want to use for the way your schematic is drawn so that part is ok. Next have a look at this: https://www.fairchildsemi.com/datasheets/BS/BS170.pdf
It is a data sheet for the MOSFETs you are using. I don't expect you to completely understand everything but I would like you to pay attention to the schematic symbol and the names of the 3 leads of the MOSFETs and how they relate to the real physical part. You should be able to figure out the way it needs to be hooked up on the breadboard. The way the MOSFETs are drawn on your schematic is ok in that they are not drawn up-side-down or anything like that. So the source leads of the MOSFETs should be connected to the negative of the battery as they are shown. Just make the arrow go the other way.
-
In order for this MOSFET to turn on and conduct current like a switch, the gate has to be more positive than the source. This is what the photoresistor does when illuminated. It pulls the voltage on the gate up to the point that the MOSFET conducts. You may have to experiment with resistor values to get this to work. Keep us posted.
 
  • Like
Likes   Reactions: Asymptotic, Mafoota and Tom.G
  • #13
What @Averagesupernova said boils it down quite nicely. One more thing - the BS170 is a DMOS device, and this affects pin out.

1 - source
2 - gate
3 - drain

BS170 pinout.jpg
 

Attachments

  • BS170 pinout.jpg
    BS170 pinout.jpg
    24.5 KB · Views: 898
  • #14
@Averagesupernova Thanks you for the document. I read it. I've understood some things but not everything.
Tell me if I'm wrong :
- I must apply a tension between the source and the drain to switch the MOSFET.
- On a schematic, we know if it's a P MOSFET or a N MOSFET by seeing the arrow.
- There are 2 types of MOSFET (enhancement and depletion)

I have a question, when the tension is enough big and the MOSFET is switched on, do I pick up the current on the drain or somewhere else ?
 
  • #15
The MOSFET you are using is an enhancement mode MOSFET. The source and drain can be considered switch contacts. I think this is what you are wondering. These two leads are the ones that carry current. I think this is what you mean when you say "pick up current on the drain". The gate never carries any current.
-
You will apply a voltage between the gate and the source to switch the MOSFET on. No current will pass through the gate but it still causes the device to turn on. The data sheet will tell you how much voltage it takes to do this.
 
  • #16
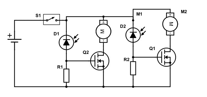
@Averagesupernova I remade the schematic.
KydDAU8.png

Well, tell me if I'm wrong :
- Resistor and photoresistor are linked to the gate
- The negative of the motor to the drain
- The source linked to the negative of the batteries.
 

Attachments

  • KydDAU8.png
    KydDAU8.png
    6.5 KB · Views: 1,328
  • #17
hugo_faurand said:
@Averagesupernova I remade the schematic.
View attachment 223926
Well, tell me if I'm wrong :
- Resistor and photoresistor are linked to the gate
- The negative of the motor to the drain
- The source linked to the negative of the batteries.
You are correct. You could redraw the photoresistor as it should be too. Do you know what that symbol is? Here is an example.
-
https://www.google.com/search?biw=1...m5pM:&imgrc=Pzx1wAs5M81zCM:&spf=1523554917580
-
Keep us posted on your progress.
 
  • #19
That is an Autodesk site and it is asking for me to sign in. I have no account and won't be signing up.
 
  • #20
@Averagesupernova No problem. There is a screenshot.
7IBMVJo.png
It's not very clear but I can't adapt components' size. Sorry in advance.
 

Attachments

  • 7IBMVJo.png
    7IBMVJo.png
    32.2 KB · Views: 1,099
  • #21
That is not correct. I didn't bother to look at which MOSFET lead is which. The first thing I noticed is that the photoresistor is connected wrong. It should only connect to one MOSFET lead and it is connected to two.
 
  • #22
It looks like you have an extra wire there. Can you find it? Check what you have on the breadboard with your schematic circuit diagram.
 
  • #23
@Averagesupernova I removed the extra wire. I compared with the schematic and everything seems good. But it doesn't work. The motor is switched on even if photoresistor doesn't received light. Also, the resistor has to be linked with the negative of the batteries and the gate. But the source is also linked to the negative of the batteries, and even if the source is in parallel with the resistor, are they linked ?
ITfLccb.png
 

Attachments

  • ITfLccb.png
    ITfLccb.png
    41.3 KB · Views: 829
  • #24
Without seeing the actual connection of how the MOSFET is connected I can't be sure you have it connected correctly. The illustration you have in the above post does not show the same physical package as the transistor you are using. One thing that could cause the motor to run all the time is you have the source and drain reversed. I would like you to post a pic of your actual breadboard and circuit. You have hung in this long let's see this through. Try to look at these obstacles as small goals instead of one large one that you have not yet met.
 
  • #25
Another possibility is the pictured 10K resistor is too high a value in comparison to that of the photoresistor. If may drop enough voltage to keep the gate turned on (regardless of how much light is on the photoresistor).
 
  • #26
@Averagesupernova @Asymptotic It's very strange because I made new test and I put a multimeter. And something very special happen, higher the value of the resistor is and higher the maximum intensity is. I took screenshot to explain that.

nzXD428.png

SMN5bs9.png
 

Attachments

  • nzXD428.png
    nzXD428.png
    38.5 KB · Views: 684
  • SMN5bs9.png
    SMN5bs9.png
    54.4 KB · Views: 655
  • #27
The meter is shown as an ammeter connected between breadboard point # 4 (voltage supply + terminal) and #9 (MOSFET drain/motor -). This puts it in parallel with the motor.

What you probably want to do is configure it as a voltmeter, and measure voltage between breadboard point #5 (MOSFET gate), and #13 (DC common), and re-run the fixed resistor change experiment.
 
  • #28
Would you please put in schematic form what your circuit is with the meter in place? I would still like to see a photo of your actual setup.
 
  • #29
You are using a different MOSFET that has a different pinout. That makes the circuit connections wrong. The present MOSFET has DGS and the other one you used has GDS as pinout.
 
  • #30
I read again all your replies and I finally managed to make the circuit.
I put the good mosfet and I put a 3KΩ resistor.
Thank you everyone for your help :smile:
There is a screenshot of the final circuit.
X7rTqkQ.png
 

Attachments

  • X7rTqkQ.png
    X7rTqkQ.png
    38.7 KB · Views: 688
  • Like
Likes   Reactions: Tom.G, Asymptotic and Averagesupernova

Similar threads

  • · Replies 3 ·
Replies
3
Views
3K
Replies
1
Views
5K
  • · Replies 6 ·
Replies
6
Views
2K
  • · Replies 2 ·
Replies
2
Views
7K
  • · Replies 33 ·
2
Replies
33
Views
4K
  • · Replies 4 ·
Replies
4
Views
2K
  • · Replies 13 ·
Replies
13
Views
3K
  • · Replies 1 ·
Replies
1
Views
2K
  • · Replies 13 ·
Replies
13
Views
3K
  • · Replies 12 ·
Replies
12
Views
5K