Power Electronics; full-bridge inverter

Click For Summary

Discussion Overview

The discussion revolves around the analysis of a full-bridge inverter, focusing on the determination of waveforms for transistors in an inductive load scenario. Participants are seeking verification of their approaches and solutions to homework problems related to this topic, particularly in preparation for an upcoming exam.

Discussion Character

  • Homework-related
  • Technical explanation
  • Debate/contested

Main Points Raised

  • Some participants express confusion about how a lagging current can produce "nice pulses" at the output when using a constant voltage source.
  • One participant suggests that the focus should be on the gate pulses rather than the actual current waveforms through the transistors.
  • Another participant raises the complexity of determining base current waveforms due to the inductive nature of the load, noting that base currents may be zero when load current opposes the applied load voltage.
  • There is mention of using Fourier series for part of the analysis, and a suggestion to use PSPICE for simulations, although one participant notes that simulation software is not an option for their homework.
  • Some participants discuss the importance of understanding the direction of load current and its impact on the transistor operation, particularly regarding the role of commutating diodes.
  • One participant reflects on previous solutions received for similar problems, noting differences in parameters that may affect the analysis.
  • Another participant acknowledges that multiple correct sets of waveforms can exist for the inverter operation.
  • Several participants express a desire for further practice and verification of their solutions, indicating ongoing uncertainty in their understanding.

Areas of Agreement / Disagreement

Participants generally agree on the complexity of the problems and the need for careful consideration of the waveforms involved. However, there are multiple competing views on how to approach the analysis, particularly regarding the role of gate signals and the behavior of the transistors under different conditions. The discussion remains unresolved in terms of definitive solutions.

Contextual Notes

Participants note limitations in their understanding of the relationship between load current and voltage, as well as the challenges posed by the inductive load in determining accurate waveforms. There are also references to specific parameters that may affect the analysis, such as the on-time of the transistors.

Who May Find This Useful

This discussion may be useful for students preparing for exams in power electronics, particularly those focusing on inverter circuits and the analysis of waveforms in inductive loads.

sandy.bridge
Messages
797
Reaction score
1

Homework Statement


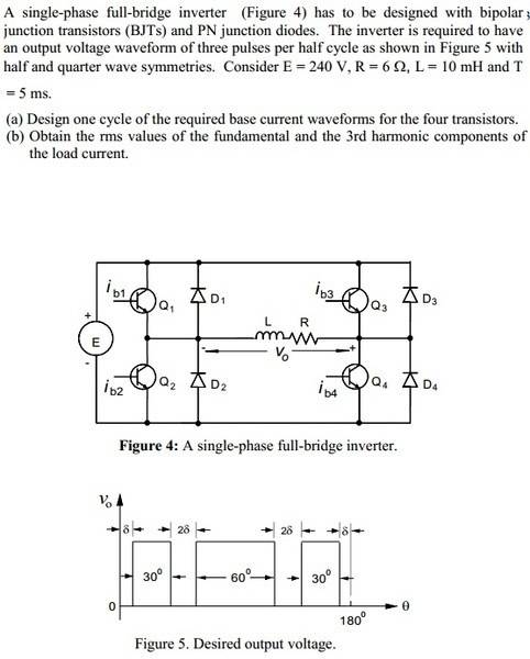
I have three problems of the same type that I am wanting to tackle in the next 3 days, so I was hoping that I could get verification here that I am indeed getting the correct answers. I have my final exam coming up, and the section on these questions does not have any examples, and I cannot find any examples for the life of me!

Thanks in advance if you decide you can chime in and help me!

The issue I have is the determining the waveforms for the transistors. Since the load is inductive, the output current, and therefore the current through each leg when it is on will be lagging the output voltage. I am a little confused as to how a lagging current can possibly form such nice pulses at the output with a constant voltage source. Perhaps someone here can explain this to me?
 

Attachments

  • single-phase full-bridge.jpg
    single-phase full-bridge.jpg
    33 KB · Views: 670
Physics news on Phys.org
sandy.bridge said:

Homework Statement


I have three problems of the same type that I am wanting to tackle in the next 3 days, so I was hoping that I could get verification here that I am indeed getting the correct answers. I have my final exam coming up, and the section on these questions does not have any examples, and I cannot find any examples for the life of me!

Thanks in advance if you decide you can chime in and help me!

The issue I have is the determining the waveforms for the transistors. Since the load is inductive, the output current, and therefore the current through each leg when it is on will be lagging the output voltage. I am a little confused as to how a lagging current can possibly form such nice pulses at the output with a constant voltage source. Perhaps someone here can explain this to me?

Put a square wave of voltage into an R-C lag circuit. The voltage is " ... nice pulses .." but what does the current waveform look like? NOT "nice pulses"! Same argument applies here.
 
Perfect! I was definitely over-thinking the situation. I think the main thing was that they are after the gate pulses, not the actual waveforms of current through the transistors, which would have been much more difficult to draw by hand and accurately.
 
Have you come up with the transistor base voltage switching diagram?

Part (a) asks for the base current waveforms. This is a difficult task. I wonder if they didn't mean base voltage waveforms.

The reason it's difficult is that here L/R is not << T. That means that some of the time appreciable load current will flow through the commutating diodes alone, so all base currents = 0 yet some of the transistors are commanded ON. This happens for example when the load voltage reverses polarity after the end of every half cycle. The difficulty lies in determining when the load current = 0.

For part (b) use Fourier series.
For part (a) if they really want base currents as functions of time, use PSPICE! :smile:
 
These are past final exam questions; simulation software is not an option. Any of the questions I have seen regarding these types of problems have been current signals applied to the gate. However, I do not see that as an issue. The signal applied to the gate is merely turning on the transistors. The current that passes from collector to emitter passes through the load; the load current lags the load voltage due to inductive nature. The parallel diodes will carry the load current whenever the output current's polarity is opposite to the polarity of the load voltage. The transistors should not be carrying any of the current during this time, this is the sole purpose of the diodes; to free-wheel the current when the transistors are off.

edit: I will post my drawing tomorrow when I have time to upload and hopefully you would be willing to give me feedback regarding it! I appreciate it a lot! It is these questions that are the most difficult, and I am hoping I can understand them by the final exam.

Also, do you know how to simulate this with PSPICE? I've been considering spending my break learning how to simulate circuits with MATLAB.
 
Last edited:
sandy.bridge said:
The signal applied to the gate is merely turning on the transistors.

The signal to the gate (I assume you mean the voltage applied to each base) is NOT necessarily to turn on the transistors UNLESS the base voltage is applied only when the load current is in the direction of the desired voltage. What means do you have to determine the direction of load current? Typically, in circuits like this, the answer is none. So the signals are applied to the transistor bases irrespective of the direction of load current, which of course works fine, the commutating diodes taking over to maintain the desired load voltage irrespective of load current direction. Which point it seems you understand well.

You should formulate your base voltage drive chart first, before you attempt to come up with the associated base currents. Those base currents will be zero when the load current opposes the applied load voltage, even though the applied voltages are at the "high" level.
 
Hmm. I managed to attain solutions from this professor for a very, very similar problem. The difference is that this problem has an on-time of 35 degrees as opposed to 30 degrees.
 

Attachments

  • solution.jpg
    solution.jpg
    37.4 KB · Views: 493
sandy.bridge said:
Hmm. I managed to attain solutions from this professor for a very, very similar problem. The difference is that this problem has an on-time of 35 degrees as opposed to 30 degrees.

OK, I see what they want. There are no actual currents shown, just "ON' vs "OFF" which is fine. I realized belatedly that all "ON" transistors are saturated anyway, so what I said about base current = (1/beta) * load current was nonsnse.

OK, why don't you proceed with your actual problem in the same way. And don't forget part (b)!
 
Alright. I did my work on loose-leaf and have uploaded it via pdf format! Thanks again for the help! Hopefully you can read all of that!
 

Attachments

  • #10
Your wave forms look right. I could not find any errors.

You also obviously know what you're doing in part (b). Therefore I won't check your math .

Good job!
 
  • #11
I have two more interesting examples that are similar that I will be posting. Only thing I want more practice with is determining the gate signals, as the professor is bound to ask a similar problem on the final exam! I will post the problems with my solutions tomorrow, and if you have time, I would appreciate if you would look over it for me. Thank you again! Much appreciated.
 
  • #12
sandy.bridge said:
I have two more interesting examples that are similar that I will be posting. Only thing I want more practice with is determining the gate signals, as the professor is bound to ask a similar problem on the final exam! I will post the problems with my solutions tomorrow, and if you have time, I would appreciate if you would look over it for me. Thank you again! Much appreciated.

Sure.

BTW there is more than one correct set of waveforms. For example, in the 1st half period you effected V = 0 by Q4 off and Q3 on. You could also have done Q1 off and Q2 on. Etc.
 
  • #13
HI rude man,
I have one more waveform I was hoping you would check for me. It is similar to the problem before. I have attached both the question and what I believed to be the output waveform.

Thanks in advance!EDIT: I was also wondering if you saw my other thread where I was trying to determine the critical inductance for boost chopper to ensure it is continuous current. Thanks!
 

Attachments

  • asknfaslnfa.jpg
    asknfaslnfa.jpg
    29.9 KB · Views: 508
  • 20131205_204457.jpg
    20131205_204457.jpg
    18.9 KB · Views: 510
  • #14
Your drawn waveform looks good. I checked thru 225 deg. only.

I don't see any computations of rms voltages or currents but I am confident you know what you're doing here.

I will look for your other thread, which sounds very interesting.
 

Similar threads

  • · Replies 2 ·
Replies
2
Views
1K
Replies
15
Views
3K
  • · Replies 17 ·
Replies
17
Views
4K
  • · Replies 29 ·
Replies
29
Views
4K
  • · Replies 5 ·
Replies
5
Views
3K
Replies
2
Views
3K
  • · Replies 13 ·
Replies
13
Views
3K
  • · Replies 52 ·
2
Replies
52
Views
5K
  • · Replies 2 ·
Replies
2
Views
2K
Replies
34
Views
4K