Power Supply 0-30V 2mA-3A Troubleshooting

Click For Summary

Discussion Overview

The discussion revolves around troubleshooting a variable voltage DC regulated power supply kit designed to output 0-30V and 2mA-3A. Participants share experiences related to assembly, soldering issues, and circuit measurements, focusing on resolving a specific problem where the output voltage reads 34V instead of the expected range.

Discussion Character

  • Exploratory
  • Technical explanation
  • Conceptual clarification
  • Debate/contested
  • Homework-related

Main Points Raised

  • One participant describes an issue with a power supply kit where the output voltage is consistently reading 34V, despite attempts to adjust the potentiometer.
  • Another participant requests a schematic and photos of the assembly to assist in troubleshooting.
  • A participant notes the absence of typical DC voltage readings for the nodes in the documentation, which complicates troubleshooting.
  • One participant identifies dry solder joints as the source of the problem after inspecting the assembly closely.
  • There is a suggestion that power diodes may require special attention during soldering due to their larger metal mass, which can affect heat transfer.
  • Participants express appreciation for the learning experience provided by the kit and encourage taking measurements to understand the circuit better.

Areas of Agreement / Disagreement

Participants generally agree on the value of hands-on experience with kits as educational tools. However, there is no consensus on specific troubleshooting methods or the exact nature of the initial problem, as some participants focus on soldering quality while others emphasize circuit measurements.

Contextual Notes

Limitations include the lack of provided DC voltage references for the circuit nodes, which may hinder effective troubleshooting. Additionally, the discussion reflects varying levels of experience among participants, influencing their contributions and suggestions.

Who May Find This Useful

Individuals interested in electronics assembly, troubleshooting techniques, and those seeking to enhance their understanding of circuit behavior through practical experience may find this discussion beneficial.

Growling_Mango
Messages
5
Reaction score
2
Hi!

I'm trying to build a variable voltage DC regulated power supply that is 0-30v and 2mA-3A. The problem I'm having is that as soon as I plug it into get a reading on my multimeter it reads 34v, even if I try turning the pot it does not change. I've rewired the pots and made sure the transformer is working so I believe I might have wired something wrong on the board itself. This is a kit that I bought to get some experience with soldering components and kind of learn a bit about how circuits work so I'm a bit in the dark and can only troubleshoot so far. I'm not exactly sure what I did wrong and any help would be appreciated.
 
Engineering news on Phys.org
Growling_Mango said:
Hi!

I'm trying to build a variable voltage DC regulated power supply that is 0-30v and 2mA-3A. The problem I'm having is that as soon as I plug it into get a reading on my multimeter it reads 34v, even if I try turning the pot it does not change. I've rewired the pots and made sure the transformer is working so I believe I might have wired something wrong on the board itself. This is a kit that I bought to get some experience with soldering components and kind of learn a bit about how circuits work so I'm a bit in the dark and can only troubleshoot so far. I'm not exactly sure what I did wrong and any help would be appreciated.
Welcome to the PF.

Can you use the UPLOAD button to show us the schematic? If you could post a picture of the finished kit, that would help as well. :smile:
 
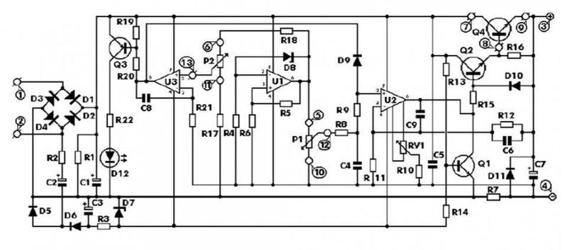
Here are the photos.
board.jpg
circuit_diagram.jpg
 
Growling_Mango said:
Nice!

So the schematic has node numbers on many of the nodes. Does the documentation give typical DC voltages for each of those nodes with respect to ground that you should be able to measure? That would help a lot in troubleshooting the circuit. What do you use for the transformer input to the bridge rectifier at the left of the circuit?
 
I actually just found out what the problem was! It turns out my solder job wasn't has good as I thought and after closely inspecting it found a few dry joints.
 
Growling_Mango said:
... after closely inspecting it found a few dry joints.
Were those for the power diodes by chance? A good rule of thumb, for me anyway, is apply enough iron/solder contact to see the solder coming completely up the thru-holes.

Nice work, BTW.
 
Yes this does look like nice work. I think kits are probably given less credit than they deserve as teaching tools. Now that it is up and working go ahead and make some measurements at various places in the circuit and write those figures down. Then work through it and get it straight in your head as to WHY those figures are what they are.
-
To add what dlgoff said, the power diodes as well as some of the headers probably have the largest amount of metal to heat which would make them the most difficult to get enough heat into to get a good solder joint.
 
dlgoff said:
Were those for the power diodes by chance?
To be completely honest I'm not too sure which connection it was. I ran through a bunch of them again just to make sure everything was set. I jumped into this thing with a very limited amount of knowledge so it's been fun working through it and figuring everything out, even if it's little by little. Thanks for the help guys!
 
  • Like
Likes   Reactions: Averagesupernova and dlgoff
  • #10
I didn't do much, but you're welcome. Sometimes my frustration with beginners is off the scale. Not here. You asked the question, did what you were asked, and in the meantime you went about it by yourself and solved the problem. Again, your work looks nice.
 
  • #11
Nice job Growling_Mango, you did it! ...and welcome to the crowd of electronikers! :smile:
 
  • #12
Averagesupernova said:
I think kits are probably given less credit than they deserve as teaching tools.

Agreed to the Max ! We learn 10X more by doing than by only reading about doing.
 

Similar threads

  • · Replies 36 ·
2
Replies
36
Views
5K
  • · Replies 13 ·
Replies
13
Views
2K
  • · Replies 7 ·
Replies
7
Views
2K
  • · Replies 8 ·
Replies
8
Views
3K
Replies
7
Views
4K
  • · Replies 5 ·
Replies
5
Views
2K
Replies
17
Views
10K
  • · Replies 17 ·
Replies
17
Views
5K
Replies
11
Views
3K
  • · Replies 5 ·
Replies
5
Views
3K