Equilibrium, Torque and Friction (hard)

Click For Summary

Homework Help Overview

The problem involves a uniform solid cube resting on a rough horizontal plane, with a light rod hinged to it. A force is applied to the rod, and the task is to analyze the forces acting on the cube as it approaches the point of tipping about one of its edges. The subject area includes concepts of equilibrium, torque, and friction.

Discussion Character

  • Exploratory, Assumption checking, Problem interpretation

Approaches and Questions Raised

  • Participants discuss the equilibrium state of the system and question whether torques can be equated about any point. There is confusion regarding the role of friction and the normal force acting on the cube. Some participants explore the implications of the cube being "on the point of turning" and how this affects the forces involved.

Discussion Status

Participants are actively engaging with the problem, raising questions about the assumptions made regarding friction and the forces at play. Some have provided insights into the mechanics of the situation, while others express uncertainty about specific aspects, such as the application of forces at the hinge and the calculation of moments.

Contextual Notes

There is a noted absence of friction between the rod and the cube, which is a significant point of discussion. Participants are also considering the implications of the cube being on the verge of tipping, which affects how forces are analyzed in this context.

hms.tech
Messages
246
Reaction score
0

Homework Statement



QUESTION.PNG


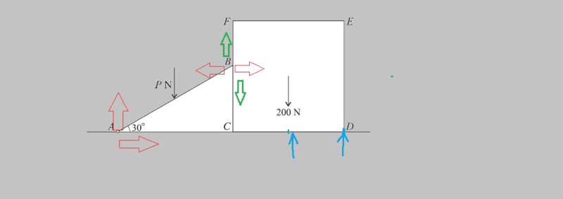
A uniform solid cube, of edge 1m and weight 200N, rests on a rough horizontal plane. A light rod AB
of length 1.2m is smoothly hinged at A to a point of the plane and B is in contact with a smooth face
of the cube. The rod lies in a vertical plane perpendicular to this face and passing through the centre
of mass of the cube. The rod makes an angle of 30◦ with the horizontal (see diagram). A gradually
increasing force of magnitude PN is applied vertically downwards at the mid-point of AB until the
cube is on the point of turning about the edge through D. By considering the forces acting on the cube
at this instant, find the normal contact force at B.


Homework Equations



sum of Forces and the sum of torque about a point are always zero if the system is in equilibrium.

The Attempt at a Solution



I don't understand the question at all. My first query : Is this system in equilibrium ?
Can i equate the Torques about "any" point to be equal to zero (specifically talking about the cube) ?

Secondly : The one thing i think would help me get started is the Free Body Diagram for this particular set up. I noticed that there is no friction between the (mass less rod) and the cube.

Free Body Diagram.png


The first attachment was the QUESTION , as given in the book.
The second attachment is my (flawed) Free body diagram.

About my diagram :
I am not sure about whether the forced shown in green should exist or not. Theoretically speaking, they should not ! But if i think it intuitively, the only way a force "P" acting on the rod can cause the cube to reach the point of turning over (toppling over) is that there is friction (shown in green) that would cause torque. (Am i correct) ?

Next, i am unsure where exactly would the Normal Reaction force due to the horizontal plane act ? At D or at the mid point of CD ?

I am completely confused , any help is appreciated .
 
Physics news on Phys.org
The important bit is that the cube is "on the point of turning about edge D". That means there is virtually no contact between the surface and the bottom, except edge D itself. Does that help with the FBD?
 
voko said:
The important bit is that the cube is "on the point of turning about edge D". That means there is virtually no contact between the surface and the bottom, except edge D itself. Does that help with the FBD?

It Does, but i cannot accept that statement of yours without justification . In other words, i really can't see why would we make that assumption .

Referring to my query from the first post, can you explain to me how exactly can a force "P" acting ON THE ROD cause the cube to topple even though there is no friction ?
 
hms.tech said:

Homework Statement



View attachment 57105

A uniform solid cube, of edge 1m and weight 200N, rests on a rough horizontal plane. A light rod AB
of length 1.2m is smoothly hinged at A to a point of the plane and B is in contact with a smooth face
of the cube. The rod lies in a vertical plane perpendicular to this face and passing through the centre
of mass of the cube. The rod makes an angle of 30◦ with the horizontal (see diagram). A gradually
increasing force of magnitude PN is applied vertically downwards at the mid-point of AB until the
cube is on the point of turning about the edge through D. By considering the forces acting on the cube
at this instant, find the normal contact force at B.

Homework Equations



sum of Forces and the sum of torque about a point are always zero if the system is in equilibrium.

The Attempt at a Solution



I don't understand the question at all. My first query : Is this system in equilibrium ?
Can i equate the Torques about "any" point to be equal to zero (specifically talking about the cube) ?

Secondly : The one thing i think would help me get started is the Free Body Diagram for this particular set up. I noticed that there is no friction between the (mass less rod) and the cube.

View attachment 57106

The first attachment was the QUESTION , as given in the book.
The second attachment is my (flawed) Free body diagram.
About my diagram :
I am not sure about whether the forced shown in green should exist or not. Theoretically speaking, they should not ! But if i think it intuitively, the only way a force "P" acting on the rod can cause the cube to reach the point of turning over (toppling over) is that there is friction (shown in green) that would cause torque. (Am i correct) ?
There is no force present which corresponds to either green arrow. That surface is frictionless. Any force exerted on that surface is normal to the surface.

The rod is a fixed length. It's hinged at the left end, so it can't move left. If it;s rigid, so it can't bend there is no other possibility except that its right end pushes hard enough on the face of the cube, so as to make the cube tip.

Suppose the friction between the bottom of the cube and the horizontal surface was small enough so that the cube would slide rather than tip. Would you have any trouble understanding how the force P, acting through the rod could accomplish that motion?
Next, i am unsure where exactly would the Normal Reaction force due to the horizontal plane act ? At D or at the mid point of CD ?

I am completely confused , any help is appreciated .

voko's claim is absolutely valid. The cube can't slide (You do recognize that, right?), so suppose a force was exerted at the same location on the face of the cube via a horizontal rod. just as the cube is on the verge of tipping, all the weight of the block would be supported along the edge at D.
 
hms.tech said:
It Does, but i cannot accept that statement of yours without justification . In other words, i really can't see why would we make that assumption .

This is not my statement. This is the problem's statement. Think what "on the point of turning" really means.

Referring to my query from the first post, can you explain to me how exactly can a force "P" acting ON THE ROD cause the cube to topple even though there is no friction ?

It is precisely because there is no friction. This means that the reaction of the cube can only be normal. By Newton's third law, the action of the rod is equal in magnitude and opposite in direction.

If you find this somewhat indirect, here is an alternative approach. The applied force is downward. The hinge reacts. What is the vector sum of the two forces?
 
@voko and @SammyS

I understand , because of your logical explanations, why and how the cube would tip over.

However there is one thing which i am still not clear about, and this partly answers the question put forward by voko, can the hinge apply a horizontal force in addition to a vertical force ?

I can't imagine the hinge applying any horizontal force, can it ? If so, then please explain how .
 
If it cannot apply any horizontal force, then it can necessarily only apply a vertical force. But what makes the vertical direction possible and the horizontal impossible for the hinge?
 
voko said:
If it cannot apply any horizontal force, then it can necessarily only apply a vertical force. But what makes the vertical direction possible and the horizontal impossible for the hinge?

Nothing really !
 
I still can't seem to solve this question :

Here is what i did but failed :

Taking moments about D :

since the reaction force acts through D thus it produces no moment about D.
Weight produced an anti clockwise moment about D and Normal force at (which i need to find out) , F produced a clockwise moment about D.
Hence :
200*0.5 - F*0.5 = 0
so F= 200 ... (that is not the correct answer :( )
 
  • #10
Where do those 0.5 factors come from?
 
  • #11
voko said:
Where do those 0.5 factors come from?
That's simple : The perpendicular distance from the line of action of the forces to the Pivot D (i am taking moments about D)
 
  • #12
The forces are applied at two different points, and at different angles with the arm. Find the distances and find the angles.
 
  • #13
I am not quite sure what u mean by that statement.

Aren't these the distances from the line of action of the force (extrapolated) and the pivot :
Free Body Diagram.png


Shown in Green colour in the diagram .
 
  • #14
Yes, this is also a valid approach. However, why do you think CB = 0.5?
 
  • #15
Ah, i see, i misunderstood the question (yet again) . CB = 1.2sin(30) = 0.6
 
  • #16
hms.tech said:
...

The Attempt at a Solution



I don't understand the question at all. My first query : Is this system in equilibrium ?
Can i equate the Torques about "any" point to be equal to zero (specifically talking about the cube) ?
Yes. The system is in equilibrium.

The torque about any point is zero.

Secondly : The one thing i think would help me get started is the Free Body Diagram for this particular set up. I noticed that there is no friction between the (mass less rod) and the cube.

The first attachment was the QUESTION , as given in the book.
The second attachment is my (flawed) Free body diagram.
attachment.php?attachmentid=57106&d=1364238687.png

About my diagram :
I am not sure about whether the forces shown in green should exist or not. Theoretically speaking, they should not ! But if i think it intuitively, the only way a force "P" acting on the rod can cause the cube to reach the point of turning over (toppling over) is that there is friction (shown in green) that would cause torque. (Am i correct) ?

Next, i am unsure where exactly would the Normal Reaction force due to the horizontal plane act ? At D or at the mid point of CD ?

I am completely confused , any help is appreciated .

hms.tech said:
I still can't seem to solve this question :

Here is what i did but failed :

Taking moments about D :

since the reaction force acts through D thus it produces no moment about D.
Weight produced an anti clockwise moment about D and Normal force at (which i need to find out) , F produced a clockwise moment about D.
Hence :
200*0.5 - F*0.5 = 0
so F= 200 ... (that is not the correct answer :( )
I suggest first considering a Free-Body-Diagram for the rod. (You can use the above diagram for this.) The forces exerted on the rod are:
Force P

The forces at the hinge, depicted by red arrows.

The force depicted by the left-pointing arrow at the face of the cube, which is the (reaction) force exerted by the cube on the rod.​
Finding the torque about the hinge should tell you the force exerted on the rod by the face of the cube .

That's a start.

See what you can do from there.
 

Similar threads

  • · Replies 2 ·
Replies
2
Views
2K
Replies
43
Views
3K
Replies
14
Views
2K
Replies
9
Views
3K
  • · Replies 4 ·
Replies
4
Views
2K
  • · Replies 12 ·
Replies
12
Views
2K
  • · Replies 5 ·
Replies
5
Views
2K
Replies
6
Views
3K
  • · Replies 7 ·
Replies
7
Views
2K
  • · Replies 35 ·
2
Replies
35
Views
3K