Schematic capture / wiring diagram software

Click For Summary

Discussion Overview

The discussion revolves around the search for schematic capture and wiring diagram software suitable for design and architectural level hook-up planning. Participants share their experiences with various software options, including free and open-source alternatives, and express their needs for specific functionalities in the software.

Discussion Character

  • Exploratory
  • Technical explanation
  • Debate/contested
  • Homework-related

Main Points Raised

  • One participant expresses a need for free software for schematic capture and architectural planning, questioning the revenue models of such tools.
  • Another participant suggests looking for open-source programs, mentioning their use of an older version of Eagle.
  • There is a discussion about the desired outputs, with one participant clarifying their need for a simple schematic capture program that allows for component property assignments.
  • KiCad is mentioned as a potential option, with some participants sharing their past experiences and suggesting it may be worth exploring.
  • Concerns are raised about the limitations of Eagle, particularly regarding the ability to differentiate net colors in schematics, which some find essential for clarity.
  • One participant shares their experience transitioning from Eagle to KiCad, noting that KiCad allows for more flexibility in customizing net colors and styles, which aids in creating clearer hookup diagrams.
  • Another participant questions the necessity of using different colors for nets, indicating a preference for traditional schematic styles.

Areas of Agreement / Disagreement

Participants express a variety of preferences and experiences with different software, indicating that there is no consensus on the best tool. Some favor KiCad for its flexibility, while others have reservations about its usability compared to Eagle. The discussion remains unresolved regarding which software is definitively superior for the needs expressed.

Contextual Notes

Some participants mention limitations in the software they have used, such as the inability to create hierarchical designs or the constraints of free versions. There are also references to specific functionalities that may not be universally available across all tools discussed.

Grinkle
Gold Member
Messages
823
Reaction score
279
TL;DR
Seeking recommendations on free schematic capture software
It has been many years since I was an Orcad expert - way back in the DOS epoch. Once my job functions changed from design to other-than-design, I stopped using such software.

I now have a need to do some design and some architectural level hook-up planning and I'm looking for free software to assist. I can make powerpoint work as I have a subscription to MS Office, but that is very cumbersome and is purely drawing activity, there is no infrastructure for component definition or hookup linting.

I have done some googling, and very easily found something called Circuit Diagram. I can't tell what their revenue model is, and as the saying goes, if you can't tell what the product is, you are the product. I don't necessarily mind that, but I would like to understand how a company makes revenue before I avail myself of no-dollar-charge products from that company.

So I thought to ask here if anyone has recommendations on such software (Circuit Design or other) along with any understanding of why the product is not directly charged for to help me choose where to invest a learning curve. Again, not neccesarily looking for comments on Circuit Diagram per se, although that would be helpful, more asking for recommendations in general.
 
Engineering news on Phys.org
I would look for some open source program. Not that I know any, I am still using last free Eagle version.
 
Grinkle said:
I now have a need to do some design and some architectural level hook-up planning
Grinkle said:
I can make powerpoint work as I have a subscription to MS Office, but that is very cumbersome and is purely drawing activity, there is no infrastructure for component definition or hookup linting.
Can you say more about what you want as output? On one hand, it sounds like you are just looking for an easy-to-use schematic capture program like a simpler version of OrCAD, but still able to assign some properties to the components (size, power, voltage, whatever). On the other hand, you mention just using it for architectural hook-up (block diagram?) drawings. Do you want those blocks to be hierarchical?

I'm still using OrCAD for my work, but have used a simple/low-cost license of Eagle to interface with a consulting engineer. I know what you mean about using PowerPoint for electrical diagrams -- I have used it for some diagrams for my Mfg Test Procedures and Test Fixture documentation.
 
Baluncore said:
Has anyone evaluated KiCad lately?
https://en.wikipedia.org/wiki/KiCad
I used it for a bit several years ago for schematics (PCBs) and thought it was pretty good. But, no, not lately. I think it's worth looking into though.

Of course it's a matter of personal preference in CAD programs. I've never really liked OrCAD even though it's objectively good.
 
berkeman said:
Can you say more about what you want as output?

I will define system level components with a small number of I/O's for a solar power system, panels, junction boxes, batteries, charger, inverter, etc, I will put all of the user visible connections on them, and I will create a schematic that can also serve as a hookup diagram as I will place multiple components that serve as a single electrical node and show them shorted (eg I will have three batteries in parallel on the schematic instead of only a single 12V supply component). I would like to print this to a variable size pdf file, probably larger than I have the ability to print on a single page without scaling down. Orcad, if I still had it, would work fine for this.

Hierarchy is not needed for what I have in mind right now, but I'd be hesitant to invest time in learning a tool that has no support for hierarchy.

Borek said:
Eagle
berkeman said:
Eagle

I also heard "Eagle" from a friend earlier today - I will check that out.

Thanks, all, really appreciate the comments.
 
  • Like
Likes   Reactions: berkeman
Grinkle said:
I will create a schematic that can also serve as a hookup diagram
Do you have a library of symbols that are used for hookup diagrams and as-built drawings for that industry? It might be worth it to look into what other designers in that industry use, to save you the time required to recreate the standard symbols that all the trades are used to seeing in their blueprints...
 
  • Like
Likes   Reactions: Grinkle and Tom.G
Note: up to version 7.7 (or something like that) Eagle had two versions: paid one and a free one (the free one was limited in the size of the pcb which was never an issue for me). Later software was bought by Autodesk and the policy has changed - I don't remember how, but I remember I decided to stay with the old version.
 
  • Like
Likes   Reactions: Grinkle
FYI - Autodesk supports a free version limited to 2 schematic sheets and a small 2-layer PCB. So there is not exactly zero support for hierarchy. ;-)

I won't be needing a PCB, and for my current project I will want to fit everything on a single sheet anyway. A subscription to Eagle is in the neighborhood of $500 / yr, I doubt I'll ever do that, but I also doubt that I'll ever really feel cramped by the 2 sheet limitation.

Thanks again for the help.
 
  • #10
You can download Eagle 7.3.0 for free. No subscription for single sheet schematics and PCB layout. It's pretty cool that you can make a custom PCB and have it made for very little cash and get it quick too. What a fun hobby! If all you want is schematic then it may be that KiCad is better but I can't say since I haven't tried it. Eagle user interfade is a little weird.
 
  • #11
@Baluncore @DaveE

I started out with Eagle and I ran into limitations on achieving communication clarity with my schematic - I have some drawing complaints. Perhaps ironic given my statements about PP being cumbersome. Specifically, there is no way to make different nets different colors, the database is layer-driven, even for the schematic capture tool, and all objects on a given layer will have that layers color. Nets is one of the system defined layers, and all net connections go on that layer. I can change the color of the nets layer, but all nets follow that color.

I gave KiCAD a try and its schematic capture is not layer-based, I can modify the color / style / weight of each net connector individually, so I am much more able to make my schematic serve the purpose of a hookup diagram. I will finish the project in KiCAD.

I did not explore PCB layout whatsoever in either program, no feedback on those aspects.

I have extensive, if dated experience with OrCAD. With that background, Eagle Schematic took me about 4 hours to get comfortable with. My port to KiCAD schematic and getting to a similar comfort level took me about 2 hours. I think if I had started with KiCAD it would have taken me about 4 hours to get going on that as well - both tools seem to have similar learning curves and documentation / tutorial availability.
 
  • #12
Grinkle said:
Specifically, there is no way to make different nets different colors
Interesting, I don't think I've ever seen that, and it would just confuse me most likely. But I'm used to schematics (sometimes with more drawings-ish at the top hierarchical block level). What kind of drawings use different colors for interconnection nets/busses/whatever? Can you link to some example drawings? Thanks.
 
  • #13
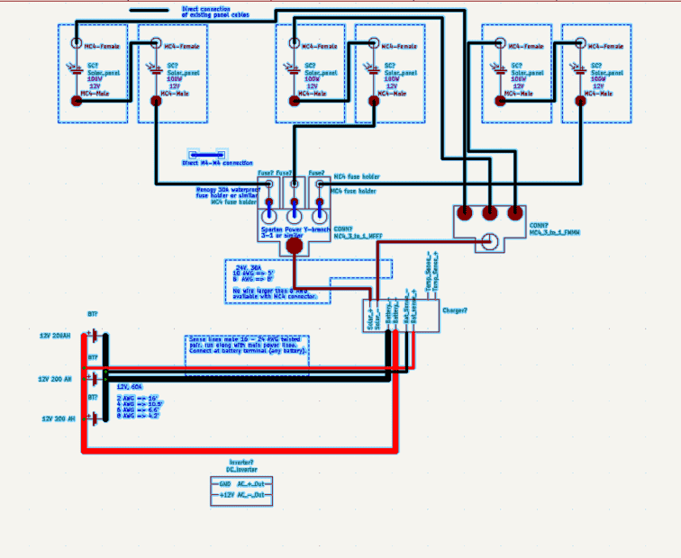
1663116094207.png


Along with the notes, I am using the different colors to describe the specific connectivity between the system components.

Edit:

I see its not very readable. In case anyone wonders what I mean by 'describe the specific connectivity', for instance:

The top black lines indicate MC-4 connector cables that come with the solar panels themselves (Not sure on these cables AWG / length, may need to modify this). The short blue stubs are where in-line fuses plug into MC-4 connectors directly. The maroon lines are relatively lower current cables with the length vs AWG restrictions in the notes. The heavier red/black lines at the bottom are high-current cables with different length restrictions noted, and the narrower adjacent red/black lines are sense lines with some instructions for how they need to be run. Hmmm. I have the panels connected reverse polarity, good thing the picture is not too readable. :-p
 
Last edited:
  • #14
Fair enough. I just did a Google Images search for the wiring diagram of my YZF-R1, and it had colors all over the place. It's B/W in my hard copy Service Manual, but has multiple colors in the web images.
 
  • Like
Likes   Reactions: Grinkle
  • #15
My OrCAD desktop PC is offline for this week, but can you right-click on a wire/net in any of these packages and change the color? I've never tried that before...
 
  • #16
berkeman said:
My OrCAD desktop PC is offline for this week,

If you are asking about OrCAD in particular, when I was using it no, different instances of specific schematic elements could not have different colors. That said, back when I was using it the number of colors one could have in general was just becoming something you could no longer count on your fingers and toes. :smile:
 
  • #17
Are you sure you are looking at the right type of software?
For what you are trying to do I would have thought something like Visio would be a better option, or?
Not that Visio is free, but there are some free alternatives that might work.
 
  • #18
f95toli said:
Are you sure you are looking at the right type of software?

Fair question, and I think reasonable people can reach different conclusions on that.

I prefer Schematic Capture software over graphic design software because -

1. Defining library components puts structure around how I pursue understanding all of the parts I will be using. I need to define the ports, and to do that I need to read about the parts in the datasheet. Without the exercise of creating the component to bound and focus this activity, I find it boring and difficult to engage with. I need a finish line, as it were, to get and keep me focused and productive.

2. Drawing a complete schematic requires a level of completeness that is not present with Visio / Powerpoint etc drawing programs, and the exercise of creating a complete schematic helps to make sure I won't overlook critical items in my planning. A good example is that the solar charger has an Earth ground port that needs to be connected up. I see this in the datasheet when I make the part, and when I instantiate the part, I know I need to buy a metal rod to establish an Earth ground, and I put that rod itself in the schematic so that it will show up in the BOM. I might remember all this anyway, but the process of library creating and schematic creation lowers the risk that I will overlook something mundane like a long metal rod in my planning.

3. I have a lot of muscle memory using schematic capture tools, and I want to leverage that. I am not at all artistic, and I find Visio and Powerpoint so wide open that my outputs from these tools often look (to me) sloppy, unfinished and dis-organized. I find library part creation pretty easy and systematic. I find drawing a part in powerpoint extremely difficult.
 
  • #19
My choice in software for drawing a schematic will largely be determined by the PCB layout portion. Anything will work if it's just a schematic. The "level of completeness" is not very relevant when human eyes misinterpret something anyway.
 

Similar threads

Replies
1
Views
1K
  • · Replies 6 ·
Replies
6
Views
2K
  • · Replies 3 ·
Replies
3
Views
4K
  • · Replies 11 ·
Replies
11
Views
8K
  • · Replies 18 ·
Replies
18
Views
6K
  • · Replies 5 ·
Replies
5
Views
16K
Replies
2
Views
2K
  • · Replies 2 ·
Replies
2
Views
2K
Replies
5
Views
8K
Replies
2
Views
3K