Static power bridge motor drive circuit

Click For Summary
SUMMARY

The discussion centers on understanding the static power bridge motor drive circuit as outlined in the Texas Instruments (TI) application note. The confusion arises from the voltage application at points A, B, and C, particularly regarding the reference point "O" and its role as the neutral in a 3-phase Wye connected source. The circuit simulates three sine wave voltages by varying the duty cycle of each switch, effectively mimicking a typical 3-phase source. The detailed workings are elaborated in the application note, specifically starting from page 24, which includes critical figures and explanations.

PREREQUISITES
  • Understanding of static power bridge circuits
  • Familiarity with 3-phase AC motor principles
  • Knowledge of duty cycle modulation techniques
  • Ability to interpret application notes from Texas Instruments
NEXT STEPS
  • Review the TI application note starting from page 24 for detailed circuit analysis
  • Study the principles of 3-phase Wye connected sources
  • Learn about duty cycle modulation in power electronics
  • Explore simulation tools for modeling static power bridge circuits
USEFUL FOR

Electrical engineers, power electronics specialists, and students studying motor drive circuits will benefit from this discussion, particularly those looking to deepen their understanding of static power bridge configurations and 3-phase motor applications.

PhysicsTest
Messages
260
Reaction score
27
TL;DR
I am trying to understand the static power bridge section, but confused with the notation.
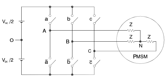
I am referring to the application note from TI, the below is the power bridge circuit.

1604751919899.png

The truth table is as below
1604752029804.png

a. I try the first values of A=0, B=0, C=0 the circuit would then become like this according to me
1604752544850.png

It is open above point O, then how the voltage of ##\frac{-V_{DC}} 2## will be applied at the point A,B,C as the table indicates.
b. I know these papers are written by experts but it confuses me , why should he consider a point "O"? Why did he not take just ##V_{DC}## instead of splitting into two power sources.
Note: I have attached the application note and it starts from page24.
 

Attachments

  • Like
Likes   Reactions: Delta2
Engineering news on Phys.org
Figure 12 on pg.24 shows that the motor is being treated as a 3-phase AC motor.

For that case, the point "O" would be equivalent to the Neutral of a 3-phase Wye connected source, such as at the transformer(s) on the power pole outside the building. Point "O" would then be the reference point from which each of the phase voltages are measured.
PhysicsTest said:
Summary:: I am trying to understand the static power bridge section, but confused with the notation.

It is open above point O, then how the voltage of will be applied at the point A,B,C as the table indicates.
To simulate the three sin wave voltages, the duty cycle (on time) of each switch is varied over time. This makes the voltage phases and amplitudes applied to the motor the equivalent of a typical 3-phase source.

The gory details are presented in the subsequent 6 pages of the application note. Not particularly easy to follow for most of us!

Cheers,
Tom
 
  • Like
Likes   Reactions: PhysicsTest

Similar threads

  • · Replies 5 ·
Replies
5
Views
2K
  • · Replies 15 ·
Replies
15
Views
3K
Replies
8
Views
4K
Replies
8
Views
3K
  • · Replies 10 ·
Replies
10
Views
8K
  • · Replies 11 ·
Replies
11
Views
4K
  • · Replies 15 ·
Replies
15
Views
3K
  • · Replies 9 ·
Replies
9
Views
4K
Replies
2
Views
2K
Replies
4
Views
3K