T C
- 418
- 11
- TL;DR
- This is a thought experiment where pressure over water has been lowered by using venturi effect and I want to know whether the temperature will remain the same or differ from the initial state as the LHV of vapour is added to the airflow.
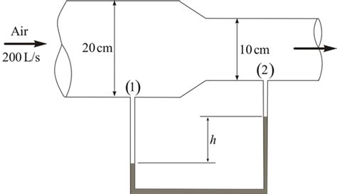
The drawing above is regarding a thought experiment of mine. Air at ambient pressure is being blown through a convergent-divergent nozzle and in the throat section, a water filled enclosed container is attached through a tube. The water container has sufficient surface area for supplying necessary LHV for the water evaporated. It's very much clear that when the air starts to flow,, the pressure in the throat section will be lower than before and that means vaporisation from the water inside the container. Now, I want to know what will be the temperature of the air after exiting the divergent section as the LHV of the steam from the vaporised air will be added to the flow. Will it be lower or higher than the initial/entry temperature? Let's assume that that entry and exit area of the nozzle is almost same.
This thought came to my mind when I am studying cold steam generation and some video on youtube regarding rotating a Tesla turbine by using cold steam in combination with compressed air flow.
This thought came to my mind when I am studying cold steam generation and some video on youtube regarding rotating a Tesla turbine by using cold steam in combination with compressed air flow.