How can I waterproof an electrical component?

Click For Summary

Discussion Overview

The discussion revolves around methods for waterproofing an NTC3950 thermistor intended for use in a water heating system. Participants explore various techniques and materials suitable for protecting the thermistor from water exposure while considering the implications for temperature measurement accuracy and response time.

Discussion Character

  • Technical explanation
  • Debate/contested
  • Experimental/applied

Main Points Raised

  • One participant suggests using nail polish or silicone to waterproof the thermistor.
  • Another participant shares their experience of successfully waterproofing temperature sensors by encasing them in ordinary clear silicone bathroom caulk.
  • A participant mentions that thermocouples, which are naturally waterproof, could be an alternative to thermistors for temperature control in hot water tanks.
  • One reply emphasizes the need for food-safe silicone if the water is for consumption, as typical bathroom caulk may contain mildewcides.
  • Another participant proposes using liquid electrical tape, noting it may insulate and delay temperature changes.
  • A suggestion is made to buy a waterproof thermistor probe as a straightforward solution.
  • One participant recommends considering commercial 'spike' type probes for quality-critical applications, mentioning the importance of confirming sensor calibration.
  • Another idea involves crafting a thermometer well for the thermistor, which could improve durability but may slow response time.
  • A participant suggests searching for Glass Probe Thermistors and mentions the potential use of Sodium Silicate solution for waterproofing.
  • It is noted that many thermistors are epoxy coated, which can provide temporary waterproofing for experiments, though any coating may affect response time.

Areas of Agreement / Disagreement

Participants present multiple competing views on waterproofing methods, with no consensus on a single best approach. Various materials and techniques are proposed, each with different implications for performance and safety.

Contextual Notes

Some participants highlight the importance of considering the safety of materials used for waterproofing, especially in applications involving water for consumption. There are also mentions of trade-offs between waterproofing effectiveness and response time of the thermistor.

Who May Find This Useful

This discussion may be useful for individuals working on projects involving temperature measurement in water or other liquids, particularly those seeking waterproofing solutions for thermistors or similar sensors.

thegreengineer
Messages
54
Reaction score
3
Good evening, it's been a while since my last thread here in PF. I will go straight to the point:
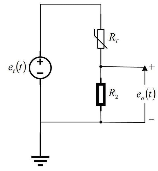
I want to measure temperature using an NTC3950 thermistor. My circuit diagram is as follows:
52602050_2283098551974676_3639846829010452480_n.jpg?_nc_cat=104&_nc_ht=scontent.fntr6-2.jpg

It's basically a voltage divider. By varying the temperature acting upon the thermistor the output voltage will change as well.
The thing is that I was given the task to measure the temperature in a water heating system, and I required on using a thermistor.
1000-immersion-rod-1-0-kw-sun-flame-original-imaffca6dyvx5g9y.jpg

To heat the water, I will use an immersion rod, like the one on the previous photo. The "tank" is basically a plastic container like the one in the photo.
protein-HDPE-bottle-manufacturers-plastic-powder-containers.jpg_350x350.jpg

Since plastic doesn't conduct heat so well, I need to put the thermistor inside the water-filled container. My issue is the following: how can I waterproof the thermistor? Can I use nail polish or silicone to waterproof? I would appreciate your advice.
 

Attachments

  • 52602050_2283098551974676_3639846829010452480_n.jpg?_nc_cat=104&_nc_ht=scontent.fntr6-2.jpg
    52602050_2283098551974676_3639846829010452480_n.jpg?_nc_cat=104&_nc_ht=scontent.fntr6-2.jpg
    12.7 KB · Views: 898
  • 1000-immersion-rod-1-0-kw-sun-flame-original-imaffca6dyvx5g9y.jpg
    1000-immersion-rod-1-0-kw-sun-flame-original-imaffca6dyvx5g9y.jpg
    18.6 KB · Views: 694
  • protein-HDPE-bottle-manufacturers-plastic-powder-containers.jpg_350x350.jpg
    protein-HDPE-bottle-manufacturers-plastic-powder-containers.jpg_350x350.jpg
    7.5 KB · Views: 670
Physics news on Phys.org
I have waterproofed temperature sensors by encasing them in silicone. Ordinary clear silicone bathroom caulk from the hardware store works well.
 
I work with hot water tanks, which use heating elements which are controlled using thermocouples. Thermocouples are naturally waterproof and typical for use in temperature control/monitoring. They can come in any length, I use either 1m or 5m long 3mm diameter thermocouples in my work. It could be an already waterproof alternative for your needs.

Thermistors are more common in freezers as they react more to cold than thermocouples do.
 
phyzguy said:
I have waterproofed temperature sensors by encasing them in silicone. Ordinary clear silicone bathroom caulk from the hardware store works well.
If the water is for consumption the silicone needs to be food safe. Bathroom caulk contains mildewcides.
 
  • Like
Likes   Reactions: phyzguy
I have used liquid electrical tape before. Realize it will insulate a little and temperature changes will be a little delayed.

71pasIUrnfL._SL1500_.jpg
 

Attachments

  • 71pasIUrnfL._SL1500_.jpg
    71pasIUrnfL._SL1500_.jpg
    30.7 KB · Views: 659
Buy a waterproof thermistor probe.
 
  • Like
Likes   Reactions: berkeman
If your app is quality critical, may I suggest that you consider commercial 'spike' type probes ? Their response curve should be provided, you just have to routinely confirm your sensor's calibration at several temperatures versus a 'traceable' instrument...

Plan_B may be to craft a robust, product-compatible 'thermometer well', put your thermistor in that.
Upside, custom made to suit pot, no worries about 'creepage' and flexing.
Downside, takes rather longer to equilibrate, a response time you must establish and document. A few drops of thin silicone oil may help heat transfer...
 
Search the online catalog stores for Glass Probe Thermistor. They start around US $1.50.
Google search for Glass Probe Thermistor.
Since this is a school project, there may be some Sodium Silicate solution ("liquid glass") around there you could use for waterproofing.
Many, not all, thermistors are Epoxy coated and will last long enough for a few experiments if the coating is not damaged.
Mix some Epoxy and coat whatever thermistors you have.

Any coating will increase the response time some, but most will not affect the accuracy.

Cheers,
Tom
 

Similar threads

  • · Replies 15 ·
Replies
15
Views
4K
  • · Replies 9 ·
Replies
9
Views
3K
  • · Replies 9 ·
Replies
9
Views
5K
  • · Replies 5 ·
Replies
5
Views
2K
  • · Replies 14 ·
Replies
14
Views
6K
  • · Replies 4 ·
Replies
4
Views
3K
Replies
0
Views
930
  • · Replies 2 ·
Replies
2
Views
4K
  • · Replies 5 ·
Replies
5
Views
3K
  • · Replies 13 ·
Replies
13
Views
2K