Drawing the Schematic for a Circuit I built on a Breadboard

Click For Summary

Discussion Overview

The discussion revolves around the challenges faced by a participant in drawing a schematic for a circuit they built on a breadboard. The circuit includes components such as a 741 amplifier, transistor, NAND gate, and 555 timer, and is intended for monitoring ambient light levels in a sports stadium. Participants provide feedback on the schematic and discuss circuit design principles.

Discussion Character

  • Homework-related
  • Technical explanation
  • Debate/contested

Main Points Raised

  • One participant notes that typically a schematic is designed before building a circuit on a breadboard, questioning whether the circuit functions as intended.
  • Another participant suggests that the circuit appears to include a light-dependent resistor (LDR) that activates an opto-coupler to light an LED.
  • Concerns are raised about the schematic, with one participant indicating that the LED may always be lit unless a specific connection is made.
  • Participants provide examples of how a schematic should be presented, emphasizing the importance of clear communication of connections and components.
  • A later post outlines the intended function of the circuit, detailing requirements such as the use of an LDR to monitor ambient light and the behavior of various LEDs based on light levels.
  • Suggestions for circuit design include using operational amplifiers as comparators and constructing the circuit in functional blocks for testing.

Areas of Agreement / Disagreement

Participants express differing views on the adequacy of the schematic and the approach taken to design the circuit. There is no consensus on the correctness of the schematic or the proposed circuit functionality, as multiple interpretations and suggestions are presented.

Contextual Notes

Participants mention the need for clear connections in the schematic and the importance of verifying individual functional blocks on the breadboard. Some assumptions about the circuit's operation and design choices remain unaddressed.

Who May Find This Useful

Individuals interested in circuit design, schematic drawing, and practical electronics, particularly those working on similar projects involving ambient light monitoring and LED control.

buyahyeh
Messages
5
Reaction score
0
Homework Statement
Circuit for breadboard
Relevant Equations
circuit for breadboard
Here is the circuit i have built on a breadboard (link) - Breadboard circuit
i am now trying to draw the circuit for this but struggling
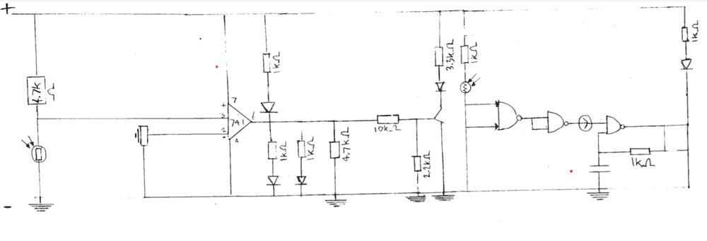
Hi, I have built this circuit on a breadboard and have tried to draw it out but I am pretty sure its not right, needs to include- 741 amplifier,transisitor, NAND gate, 555 timer or NAND gate (for the orange LED)
this is my attempt, can somebody help as I am new to this
Screenshot 2020-12-30 125356.png
 
Last edited:
Physics news on Phys.org
What in the world is that supposed to be?
 
Well, usually one designs a circuit schematically and then implements it on a breadboard to see if it works not vis-versa as you have done. Does your circuit do what you intended? We need to know the function and then we can decide if it is a reasonable circuit. Of course, it is possible we might be able to determine if it will do nothing or even self destruct.
 
buyahyeh said:
Homework Statement:: Circuit for breadboard
Relevant Equations:: circuit for breadboard

Here is the circuit i have built on a breadboard (link) - Breadboard circuit
i am now trying to draw the circuit for this but struggling
Hi, I have built this circuit on a breadboard and have tried to draw it out but I am pretty sure its not right, needs to include- 741 amplifier,transisitor, NAND gate, 555 timer or NAND gate (for the orange LED)
this is my attempt, can somebody help as I am new to this
View attachment 275369
I think it looks reasonably clear. I think you have a LDR which will turn on a opto-coupler and light an LED.
 
Unless I am seeing a line in the schematic that isn't there, the LED will always be lit.
 
If you are asking how a schematic should look, here is an example from the real world. Yours may not need to be as sophisticated (drawing format, notes, etc.) but the clear communication of what's in the circuit and how they are connected is important.
sch ex4d.jpg
 
  • Like
Likes   Reactions: berkeman
buyahyeh said:
Homework Statement:: Circuit for breadboard
Relevant Equations:: circuit for breadboard

Here is the circuit i have built on a breadboard (link) - Breadboard circuit
i am now trying to draw the circuit for this but struggling
Hi, I have built this circuit on a breadboard and have tried to draw it out but I am pretty sure its not right, needs to include- 741 amplifier,transisitor, NAND gate, 555 timer or NAND gate (for the orange LED)
this is my attempt, can somebody help as I am new to this
View attachment 275369
Where the lines cross to the right of the 741 there should be a dot indicating it is a connection.
 
DaveE said:
here is an example from the real world
What is the *.webp extention from? My Firefox browser opens it no problem. Just curious...
 
berkeman said:
What is the *.webp extention from? My Firefox browser opens it no problem. Just curious...
No idea. It's a jpg on my hard disk, when I hover over the post, and when I do save as from the post. A PF site thing, a Firefox thing?
https://developers.google.com/speed/webp
 
  • Like
Likes   Reactions: berkeman
  • #10
berkeman said:
What is the *.webp extention from? My Firefox browser opens it no problem. Just curious...

from: https://filext.com/file-extension/WEBP ...A great resource to bookmark.

"...primarily associated with Web Browsers by Google."
"It can achieve smaller sizes than the current standards ... at 25-34%..."
"...Chrome and Opera offer native support whilst others may require JavaScript libraries to display WebP images."


The above entry reads as if it was written when .WEBP was brand new. Unfortunately no date is given on the page.

Cheers,
Tom
 
  • Informative
Likes   Reactions: berkeman
  • #11
the circuit is intended to match this
controller is required to monitor the natural illumination of a sports stadium and, when the ambient light is below a pre-set level, to switch on external lighting. The system is required to be of high integrity, and various monitoring indicators are to be incorporated as specified below.

Furthermore, the status of the light (Large white LED) is to be monitored, and if this should fail, when the lighting should in fact be on, a warning signal is to be given in the form of a flashing orange LED.

Circuit Requirements

1. A light dependent resistor (LDR) is to be used to determine ambient light levels.

2. A red light emitting diode (LED) should illuminate whenever the ambient light level is below the pre-set value.

3. A green LED should be illuminated if the ambient light is above the predetermined level. Note, the use of two LEDs in this manner serves to indicate that power is applied to the system, as one LED will always be on.

4. An orange LED is to flash on and off repeatedly, in the case that the ambient light level is low, and the white LED is not illuminated, i.e., it has failed.

5. Individual functional blocks of the circuit should be constructed and operation verified on breadboard. One example of such a component block may be the LDR and comparator light detection circuit
 
Last edited by a moderator:
  • #12
Two threads on the same problem have been merged together
A controller is required to monitor the natural illumination of a sports stadium and, when the ambient light is below a pre-set level, to switch on external lighting.

The system is required to be of high integrity, and various monitoring indicators are to be incorporated as specified below. Furthermore, the status of the light (Large white LED) is to be monitored, and if this should fail, when the lighting should in fact be on, a warning signal is to be given in the form of a flashing orange LED.

Circuit Requirements

1. A light dependent resistor (LDR) is to be used to determine ambient light levels.

2. A red light emitting diode (LED) should illuminate whenever the ambient light level is below the pre-set value.

3. A green LED should be illuminated if the ambient light is above the predetermined level. Note, the use of two LEDs in this manner serves to indicate that power is applied to the system, as one LED will always be on.

4. An orange LED is to flash on and off repeatedly, in the case that the ambient light level is low, and the white LED is not illuminated, i.e., it has failed.

5. Individual functional blocks of the circuit should be constructed and operation verified on breadboard. One example of such a component block may be the LDR and comparator light detection circuit.

Circuit Design Suggestions The following points are suggestions as to the circuitry you might choose to use, and are based on the material covered in recent lectorials and introductory practicals which assumes a knowledge of operational amplifiers, NAND gates, light dependent resistors (LDR), 555 timer and transistors. However, other circuitry may be used, but you should discuss this with the class tutors and/or technicians before

implementation.

1. A single 12-volt power supply may be employed.

2. The circuit may be built in a logical form, that is, one functional block at a time, in order that each stage may be built and tested before the following block is constructed.

3. An operational amplifier may be used as a comparator to “digitise” the voltage across the LDR light sensor.

4. A transistor may be used to switch power to the large white LED.

5. The voltage across the LDR may be monitored by an operational amplifier configured as a comparator.

6. A NAND gate may be used to gate the “white LED” signal with the ambient light status.

7. A NAND gate or a 555 timer may form the basis of the oscillator required to drive the orange LED.

here is my ATTEMPT
jqwbxiqxsb.PNG
 
Last edited by a moderator:

Similar threads

  • · Replies 6 ·
Replies
6
Views
2K
Replies
5
Views
2K
  • · Replies 8 ·
Replies
8
Views
3K
Replies
93
Views
9K
  • · Replies 1 ·
Replies
1
Views
2K
  • · Replies 10 ·
Replies
10
Views
3K
  • · Replies 1 ·
Replies
1
Views
2K
  • · Replies 5 ·
Replies
5
Views
2K
  • · Replies 4 ·
Replies
4
Views
2K
  • · Replies 6 ·
Replies
6
Views
3K