Pressure regulator model: how to study its stability

Click For Summary

Discussion Overview

The discussion revolves around modeling a pneumatic pressure regulator, focusing on stability analysis and optimization of model parameters to match performance data from a commercial regulator's datasheet. Participants explore various aspects of the model, including its non-linear characteristics, feedback mechanisms, and the impact of different parameters on stability.

Discussion Character

  • Exploratory
  • Technical explanation
  • Debate/contested
  • Mathematical reasoning

Main Points Raised

  • One participant seeks a simple model of a pneumatic pressure regulator and faces stability issues when optimizing parameters using a solver.
  • Another participant suggests understanding feedback mechanisms and restricting parameter variations to avoid oscillations, emphasizing the need to study stability bounds before optimization.
  • There is a discussion about trial-and-error methods versus systematic approaches like programmed grid searches to identify stability boundaries.
  • A participant requests detailed information about the regulator's design, including mass and flow restrictions, to better understand the model's dynamics.
  • One participant describes their model, including parameters like spring stiffness and the relationship between valve displacement and pressure differential, while expressing uncertainty about how to model varying flow rates with pressure changes.
  • Another participant proposes that oscillation may arise from delays in piston movement and suggests considering a different valve type to mitigate this issue.
  • Concerns are raised about the accuracy of provided graphs and the need for a static force diagram to model the regulator's behavior accurately.

Areas of Agreement / Disagreement

Participants express differing views on the modeling approach, the importance of specific parameters, and the interpretation of provided graphs. No consensus is reached regarding the best method for ensuring stability or the accuracy of the model's representation of real-world behavior.

Contextual Notes

Participants highlight limitations related to the assumptions made in the model, the need for accurate representations of forces involved, and the potential discrepancies between theoretical models and actual data.

Who May Find This Useful

Individuals interested in pneumatic systems, control theory, optimization techniques, and those working on modeling dynamic systems may find this discussion relevant.

  • #31
Q_Goest said:
Hi serbring. Interesting comment on the sales engineer. Now I'm wondering; why do you want a regulator? Or why would the sales engineer direct you to that type of valve?

Regulators are used to adjust downstream pressure to a set point. So for an input, they look at pressure. But you're not controlling to pressure, you're controlling to a strain gage. All you want to do is adjust the pressure on the brake so that you get the correct responce from the strain gage. I guess I don't understand why you you have this half way measure of attempting to control pressure. If pressure is too high, your strain gage is sending back a signal that indicates this and your controls will be reducing pressure to adjust.

Could you use a proportional flow control valve instead? Festo makes the http://ftp.festo.com/public/PNEUMATIC/SOFTWARE_SERVICE/PDF_Catalogue/PDF/US/MPYE_ENUS.PDF which might be close to what you need. Looks like it's not a perfect fit but it's very close. It looks like it might be used for an air cylinder without spring return (ie: a double acting cylinder), but I would think you would only want to use the one port on the valve to pressurize the one port on your cylinder. Take a look at the function diagram at the top of page 5. It looks like you would put your supply pressure to port 1, vent port 5 and take port 4 to your cylinder. Ports 2 and 3 would be blocked. With this valve, you measure strain and when it goes high, you vent air pressure and when low you pressurize. There's no hysteresis and no extra controls trying to adjust to a specific pressure. I'm sure there are other valves that would be even better for your application. What I'm wondering though is why you went with a regulator for this application?

Hi Q_Goest,

Thanks for your helpful reply. The torque is linearly proportional to the pressure so we decided that is easier for the brake controller to control the torque using a pressure regulator. Moreover for a better control is needed a high gain between the controlled variable (i.e. the pressure or the flow rate) and the parameter of interest (i.e. the torque). I didn't go with a flow regulator mainly because the brake must be controlled when there is a contact between the disc and the pad and in this condition the flow rate quite small, isn't? In case I'm wrong, you're very welcome to set me right.

Thanks

Cheers
 
Engineering news on Phys.org
  • #32
Hi serbring. My appologies if I'm not clear. I agree with what you're saying and I think I understand what you're trying to accomplish, I guess we just have a different perspective of the different ways this can be done. Controlling to a pressure and having a regulator take over from there is a valid approach and it may work just fine, but my concern regards the hysteresis which is inherent in the regulator. Perhaps I can explain better.

I believe what you want to do is take a strain gage reading as an input to your controls which will be used to vary pressure on your brake from some minimum to a maximum. For example, if you supply 0 bar, your strain gage will be at one end of the range; let's call this 0. And if you apply the maximum pressure, for example 10 bar, your straing gage will be at the highest end of its range; let's call this 10. For the sake of simplicity, let's just say there is a linear relationship between pressure and strain gage reading, so for a pressure of 0, you get a strain gage reading of 0 and for a pressure of 10, you get a strain gage reading of 10.

My understanding is that you will have a strain gage reading in mind that you want to adjust to. Let's say that number is 5.0, so you want your pressure to be 5.0. Of course, the system won't be that easy and you have to adjust that pressure until you get the value on the strain gage you desire, so you may have a PID loop looking at the strain gage reading and that is trying to adjust the set pressure of the regulator until you have the proper reading on your strain gage. Is that correct?

If that's the case, then what you'll find is that this regulator has a hysteresis. You may try to get the pressure to 5.0 because you want the strain gage to read 5.0. For example, let's say you have a strain gage reading of 4.5 and your controls are attempting to move that up to 5.0, so they increase the value of the set pressure. As they do that, you may find that the strain gage reading overshoots and goes to 5.2, so now you need to reduce the pressure.

If you stop sending signals, the pressure regulator doesn't try to change the set pressure and it maintains this pressure, so your strain gage will settle out to some reading around 5.2. But now your controls (PID loop) tries to reduce this strain gage reading by reducing the set pressure reading. For the sake of this example, let's say the hysteresis in this regulator is 1.0. It might be 0.8 or 1.3, that doesn't really matter. It has some hysteresis which is greater than zero and probably closer to 1 bar but it will be something. It won't be zero.

Now your strain gage is reading 5.2 and you need to reduce that. Your set pressure at this point might be at 5.0 or it might be at 5.5, that doesn't really matter. Let's just say it is 5.0 for this example. What your controls have to do is reduce the strain gage reading to 5.0, so they start reducing the set pressure point that you have sent to your regulator. So it starts decreasing. The set point starts out at 5.0 and drops to 4.9, 4.8, ... 4.1 and still nothing happens because the set point has to pass all the way through the hysteresis before it can actually affect a change to the set pressure. During this time, the regulator remains closed, so the pressure on the brake doesn't change and the strain gage reading continues to say 5.2. When the regulator set point finally reaches 4.0, it begins to vent the pressure off the brake and the strain gage starts to decrease. So now your controls are sending lower and lower signals to the regulator to decrease the strain gage reading. Those controls are sending out 4.0 then 3.9 then 3.8, etc... Now the pressure starts venting and the strain gage reading drops from 5.2 to 5.1 to 5.0, etc...

Your controls may overshoot and the strain gage might go to 4.9, in which case, the controls may be sending a signal of 3.8 and your controls have to go through the process of increasing pressure in exactly the same way as they decreased the pressure. The set point on your regulator will have to pass through this dead band (hysteresis) to get the pressure to increase so your set pressure signal to the regulator has to go from 3.8 to 3.9, 4.0, 4.1, etc... until it gets to 4.8 before it can increase the pressure and affect a change to the strain gage.

This process of trying to increase and decrease a set point on your regulator has the inherent disadvantage of having to deal with this dead range on the regulator called hysteresis.

You can get around that problem by driving the pressure control valve open and closed directly instead of indirectly through a pressure set point. That's what the other valve or similar valve can do for you. It doesn't have a pressure set point. Instead, it pressurizes and vents depending on the signal you send.

Here's my understanding of the Festo MPYE. I could be wrong about this valve so it will be up to you to verify my understanding if you think this is a better way to go. The valve has internal valves just like the regulator. One opens and allows flow to the circuit and the other opens to allow flow out of the circuit. This is called a spool valve because it has a single valving element inside that slides from one side to the other. When it is in the center position, there is no flow. All 5 of the ports are closed at that point and there will be no flow. See the schematic symbol at the top of page 5. In order to get the valve to go to this position, it appears from the graph at the bottom of page 5, that a voltage of 5V will put it in this center position and stop flow. So if you send a signal of 5V, you get no flow. In this case, you are using it to pressurize the brake so your brake pressure won't change if you send it a signal of 5V and the strain gage reading won't change. So whatever the strain gage reading is, the pressure in the brake won't change and therefore the strain gage reading shouldn't change if you send a signal of 5V.

The valve can then be told to pressurize or vent. For the sake of this example, let's say you have the pressurization port (port 1) connected to your source pressure, port 4 connected to your brake piston and port 5 connected to a vent which goes to atmosphere. If you send a signal of 5V, the valve is closed and you don't get any change in pressure and no change in strain gage signal. If you want to increase the strain gage reading, your controls will increase the voltage above 5V (between 5 and 10). Note the graph at the bottom of page 5 that shows how far the valve opens is aproximately linearly related to the signal. So now if you send it a 6V, the valve opens a little bit and pressure gradually increases on the brake. If you send it a signal of 10V, the valve opens all the way and you get a much faster rise in pressure on the brake. When the strain gage reading aproaches the value you want (let's say you want a 5 from your strain gage), your controls will decrease the voltage signal from some value higher than 5V down to 5V and maintain the 5V if your strain gage reading is where it should be.

In the case of having to adjust the strain gage reading now, there is no hysteresis. Sending a signal less than 5V will decrease the pressure and decrease the strain gage reading. Sending a signal greater than 5V will increase the pressure and increase the strain gage reading. That pressure rise or fall rate (ie: the rate of pressure CHANGE) will be proportional to the signal you send it. So if you need a strain gage reading of 5 and it overshoots to 5.2, you send a signal of less than 5V to the valve and it vents pressure immediately and the strain gage reading decreases. When your strain gage reading approaches the value you need it to read, your controls will be sending out a signal that approaches 5V.

Note also that this valve would need to be set up in a way that produces a safe responce in the case of control failure. If controls fail (say from loss of power) and you want the pressure on the brake to go to zero, you would connect the valve as suggested above. If instead you wanted a loss of power signal to apply the brake, you would simply connect the opposite set of ports to this valve (ie: instead of using 1, 4 and 5 you would use ports 1, 2 and 3).

Sorry for the lengthy responce, and I understand that I could be totally mistaken on how your system works.

Best regards.
 
  • #33
Q_Goest said:
Hi serbring. My appologies if I'm not clear. I agree with what you're saying and I think I understand what you're trying to accomplish, I guess we just have a different perspective of the different ways this can be done. Controlling to a pressure and having a regulator take over from there is a valid approach and it may work just fine, but my concern regards the hysteresis which is inherent in the regulator. Perhaps I can explain better.

I believe what you want to do is take a strain gage reading as an input to your controls which will be used to vary pressure on your brake from some minimum to a maximum. For example, if you supply 0 bar, your strain gage will be at one end of the range; let's call this 0. And if you apply the maximum pressure, for example 10 bar, your straing gage will be at the highest end of its range; let's call this 10. For the sake of simplicity, let's just say there is a linear relationship between pressure and strain gage reading, so for a pressure of 0, you get a strain gage reading of 0 and for a pressure of 10, you get a strain gage reading of 10.

My understanding is that you will have a strain gage reading in mind that you want to adjust to. Let's say that number is 5.0, so you want your pressure to be 5.0. Of course, the system won't be that easy and you have to adjust that pressure until you get the value on the strain gage you desire, so you may have a PID loop looking at the strain gage reading and that is trying to adjust the set pressure of the regulator until you have the proper reading on your strain gage. Is that correct?

Hi Q_Goest,

Thanks for your extremely helpful reply and I'm sorry for my delayed one. It tooks a while to medite about your answer. Yes it is.

If that's the case, then what you'll find is that this regulator has a hysteresis. You may try to get the pressure to 5.0 because you want the strain gage to read 5.0. For example, let's say you have a strain gage reading of 4.5 and your controls are attempting to move that up to 5.0, so they increase the value of the set pressure. As they do that, you may find that the strain gage reading overshoots and goes to 5.2, so now you need to reduce the pressure.

If you stop sending signals, the pressure regulator doesn't try to change the set pressure and it maintains this pressure, so your strain gage will settle out to some reading around 5.2. But now your controls (PID loop) tries to reduce this strain gage reading by reducing the set pressure reading. For the sake of this example, let's say the hysteresis in this regulator is 1.0. It might be 0.8 or 1.3, that doesn't really matter. It has some hysteresis which is greater than zero and probably closer to 1 bar but it will be something. It won't be zero.

Now your strain gage is reading 5.2 and you need to reduce that. Your set pressure at this point might be at 5.0 or it might be at 5.5, that doesn't really matter. Let's just say it is 5.0 for this example. What your controls have to do is reduce the strain gage reading to 5.0, so they start reducing the set pressure point that you have sent to your regulator. So it starts decreasing. The set point starts out at 5.0 and drops to 4.9, 4.8, ... 4.1 and still nothing happens because the set point has to pass all the way through the hysteresis before it can actually affect a change to the set pressure. During this time, the regulator remains closed, so the pressure on the brake doesn't change and the strain gage reading continues to say 5.2. When the regulator set point finally reaches 4.0, it begins to vent the pressure off the brake and the strain gage starts to decrease. So now your controls are sending lower and lower signals to the regulator to decrease the strain gage reading. Those controls are sending out 4.0 then 3.9 then 3.8, etc... Now the pressure starts venting and the strain gage reading drops from 5.2 to 5.1 to 5.0, etc...

Your controls may overshoot and the strain gage might go to 4.9, in which case, the controls may be sending a signal of 3.8 and your controls have to go through the process of increasing pressure in exactly the same way as they decreased the pressure. The set point on your regulator will have to pass through this dead band (hysteresis) to get the pressure to increase so your set pressure signal to the regulator has to go from 3.8 to 3.9, 4.0, 4.1, etc... until it gets to 4.8 before it can increase the pressure and affect a change to the strain gage.

This process of trying to increase and decrease a set point on your regulator has the inherent disadvantage of having to deal with this dead range on the regulator called hysteresis.

I got it, so it lowers the torque reproducibility and I expected it but I didn't thought it could be such big issue.

You can get around that problem by driving the pressure control valve open and closed directly instead of indirectly through a pressure set point. That's what the other valve or similar valve can do for you. It doesn't have a pressure set point. Instead, it pressurizes and vents depending on the signal you send.
Here's my understanding of the Festo MPYE. I could be wrong about this valve so it will be up to you to verify my understanding if you think this is a better way to go. The valve has internal valves just like the regulator. One opens and allows flow to the circuit and the other opens to allow flow out of the circuit. This is called a spool valve because it has a single valving element inside that slides from one side to the other. When it is in the center position, there is no flow. All 5 of the ports are closed at that point and there will be no flow. See the schematic symbol at the top of page 5. In order to get the valve to go to this position, it appears from the graph at the bottom of page 5, that a voltage of 5V will put it in this center position and stop flow. So if you send a signal of 5V, you get no flow. In this case, you are using it to pressurize the brake so your brake pressure won't change if you send it a signal of 5V and the strain gage reading won't change. So whatever the strain gage reading is, the pressure in the brake won't change and therefore the strain gage reading shouldn't change if you send a signal of 5V.

The valve can then be told to pressurize or vent. For the sake of this example, let's say you have the pressurization port (port 1) connected to your source pressure, port 4 connected to your brake piston and port 5 connected to a vent which goes to atmosphere. If you send a signal of 5V, the valve is closed and you don't get any change in pressure and no change in strain gage signal. If you want to increase the strain gage reading, your controls will increase the voltage above 5V (between 5 and 10). Note the graph at the bottom of page 5 that shows how far the valve opens is aproximately linearly related to the signal. So now if you send it a 6V, the valve opens a little bit and pressure gradually increases on the brake. If you send it a signal of 10V, the valve opens all the way and you get a much faster rise in pressure on the brake. When the strain gage reading aproaches the value you want (let's say you want a 5 from your strain gage), your controls will decrease the voltage signal from some value higher than 5V down to 5V and maintain the 5V if your strain gage reading is where it should be.

In the case of having to adjust the strain gage reading now, there is no hysteresis. Sending a signal less than 5V will decrease the pressure and decrease the strain gage reading. Sending a signal greater than 5V will increase the pressure and increase the strain gage reading. That pressure rise or fall rate (ie: the rate of pressure CHANGE) will be proportional to the signal you send it. So if you need a strain gage reading of 5 and it overshoots to 5.2, you send a signal of less than 5V to the valve and it vents pressure immediately and the strain gage reading decreases. When your strain gage reading approaches the value you need it to read, your controls will be sending out a signal that approaches 5V.

Note also that this valve would need to be set up in a way that produces a safe responce in the case of control failure. If controls fail (say from loss of power) and you want the pressure on the brake to go to zero, you would connect the valve as suggested above. If instead you wanted a loss of power signal to apply the brake, you would simply connect the opposite set of ports to this valve (ie: instead of using 1, 4 and 5 you would use ports 1, 2 and 3).

Sorry for the lengthy responce, and I understand that I could be totally mistaken on how your system works.

Best regards.

I got it. I was initially mislead by that valve. It's a very interisting idea and It will permit me to have a higher control of the brake pressure. After a first analysis it looks much easier to model compare to the other one. Regarding the hysteresis, in the datasheet you have linked, it is mentioned the hysteresis and it's probably related to the spool displacement, so it's not straightforward to compare the two hysteris values because they are indicated in different ways. But doesn't it generate the beforementioned issue as well?

What is the nominal size? Is the dimension quoted in the following graph?

spool_valve.jpg


Moreover I noticed this valve has hard sealing principle instead the other one has a soft sealing one. What are their meaning?
The only problem is that the brake has a G1/2" pneumatic connection instead the valve has a G3/8" one. But I'll search a similar valve with a G1/2" pneumatic connections.

Thanks again for your help, I'll take your advices to hearth! :)

Cheers
 
  • #34
Hi serbring. I'm afraid I don't have any more information on the valve than what is printed on the flyer, so I don't have the spool diameter. Also, they don't provide the Cv of this valve, just a flow rate for various sizes as I'm sure you already know. I'd suggest contacting them for that kind of information, they really need to put that kind of info in their flyers. They do however, show the percent open as a function of input voltage, so once you have the full open Cv, you can find the actual Cv as function of input voltage.

The spool is just a poppet that fits tight in a bore, so there will always be some very small gap between the OD of the spool and the ID of the boor. It has no seat like a regulator does. The valve will always leak, but it shouldn't be much. I'd expect something on the order of a few cubic centimeters per minute of air. That's what they mean by 'hard sealing principal'. Festo should be able to tell you how much that leakage is.
 
  • #35
Q_Goest said:
Hi serbring. I'm afraid I don't have any more information on the valve than what is printed on the flyer, so I don't have the spool diameter. Also, they don't provide the Cv of this valve, just a flow rate for various sizes as I'm sure you already know. I'd suggest contacting them for that kind of information, they really need to put that kind of info in their flyers. They do however, show the percent open as a function of input voltage, so once you have the full open Cv, you can find the actual Cv as function of input voltage.

The spool is just a poppet that fits tight in a bore, so there will always be some very small gap between the OD of the spool and the ID of the boor. It has no seat like a regulator does. The valve will always leak, but it shouldn't be much. I'd expect something on the order of a few cubic centimeters per minute of air. That's what they mean by 'hard sealing principal'. Festo should be able to tell you how much that leakage is.

Hi Q_Goest,

thanks again for your, as usual, extremely helpful reply. :)

I'll contact festo...

I'll keep you updated about my project progress :)

Cheers
 
  • #36
Hi serbring. Something just occurred to me that might help you. Whenever my company has had to buy more than a few dozen valves, I've often talked to someone at the supplier and asked them to send me one out of courtesy so I could evaluate it. I'd take the valves apart, do stress analysis, fluid flow analysis, spring and dynamic analysis of poppets, thermal analysis, seal analysis, pretty much any analysis needed to understand how good the valve was. I actually found many valves that were poorly designed and could potentially fail in service. It wasn't unusual to find substandard designs even from reputable manufacturers. I'd also perform testing as needed, though it was amazing what you could find out just by doing analysis.

It's actually not unusual for companies to do that. If you know your company will be purchasing more than a dozen or so per year of this valve, I'd suggest you contact them, explain what you're doing, and ask them to send you a sample valve for evaluation. Do that for any valve you expect to use for this application. I'd suggest getting at least 3 different valves in for test before you decide on one. If you only want to test valves (not take them apart and do analysis on them) you should be doing, at the very least, performance testing and life testing. You want to know how well the valve is going to work and for how long. Valves can wear out quickly or they can last for many years without problems.

I'd be interested in hearing how to works out for you. Feel free to post your progress.
 
  • #37
Q_Goest said:
Hi serbring. Something just occurred to me that might help you. Whenever my company has had to buy more than a few dozen valves, I've often talked to someone at the supplier and asked them to send me one out of courtesy so I could evaluate it. I'd take the valves apart, do stress analysis, fluid flow analysis, spring and dynamic analysis of poppets, thermal analysis, seal analysis, pretty much any analysis needed to understand how good the valve was. I actually found many valves that were poorly designed and could potentially fail in service. It wasn't unusual to find substandard designs even from reputable manufacturers. I'd also perform testing as needed, though it was amazing what you could find out just by doing analysis.

It's actually not unusual for companies to do that. If you know your company will be purchasing more than a dozen or so per year of this valve, I'd suggest you contact them, explain what you're doing, and ask them to send you a sample valve for evaluation. Do that for any valve you expect to use for this application. I'd suggest getting at least 3 different valves in for test before you decide on one. If you only want to test valves (not take them apart and do analysis on them) you should be doing, at the very least, performance testing and life testing. You want to know how well the valve is going to work and for how long. Valves can wear out quickly or they can last for many years without problems.
Hi Q_Goest,

Thanks for your interesting suggestion, unfortunately we have to build just one sample of the rig, therefore hopefully we will need only one valve, otherwise it would mean I have made any mistake.

I'd be interested in hearing how to works out for you. Feel free to post your progress.
[/quote]

I surely keep you updated about this project. Hopefully in a month a I will be able to show you some interesting results. Actually I'm trying to model the festo mpye valve. There is something I don't understand about the valve behaviour and probably you are able to help me. In the catalogue you can find the voltage-spool position behaviour:

mpye.jpg


So with 5V the spool is positioned in the middle and with 0V the spool is positioned in one of two ends. But 0V means 0N, right? Moreover in the catalogue it is written:

Safety setting Active: mid-position in the event of setpoint value cable break

So if the setpoint cable break, the solenoid voltage is 0V, but the spool is positioned in the middle? This is in disagreement with the previous statement. I try to explain it better. For modeling the valve I need to set the spring stiff for the mechanical model of the spool valve. Here you can find the dynamic equation of the spool that is:

[itex]m*\ddot{x}+c*\dot{x}+2*K*x+F_f=F_c[/itex]

Equation 37 of this paper. From this equation, I would believe that with 0V the spool is placed in the mid position and not with 5V.

What's wrong in my thinking?

thanks

Cheers
 
  • #38
serbring said:
So with 5V the spool is positioned in the middle and with 0V the spool is positioned in one of two ends. But 0V means 0N, right?
Yes... it means that port 1 (supply pressure) is connected to port 2 so port 2 is pressurized. Looking at the schematic diagram at the top of page 5, you can also see that port 4 is connected to port 5 (vent) and port 3 is sealed off.

serbring said:
Moreover in the catalogue it is written:

Safety setting Active: mid-position in the event of setpoint value cable break

So if the setpoint cable break, the solenoid voltage is 0V, but the spool is positioned in the middle? This is in disagreement with the previous statement.
I agree, that's a bit confusing. You need to supply power to the valve which is 17 to 30 V (see the top of page 6). I'm assuming that means 24 VDC nominal power supply which is very common in the industry.

You then send a control signal depending on if you purchase the 4 - 20 ma current version or the 0 - 10 VDC version of the valve. So I suspect the valve is spring loaded to be in the middle position when disconnected and no power (no 24 VDC) sent to it. I believe they're referring to the power not the signal. With no power, the valve is in the same position as it would be if it had power and you sent a 5 VDC signal to it. With power, if you send it a 0 VDC signal, the the valve shifts to one of the two ends as described above. Also, if it has power (24 VDC) and you send it 5 VDC signal, the valve position is in the middle with no flow. You should verify that with the sales rep at Festo as I'm not absolutely positive.
 
  • #39
Hi Q_Goest,

following your suggestion I have a good model of the spool valve (by luck I found a paper with the flow rate data of the specific spool valve I need) and I can well actuate the brake. I'm really greatful to you.
There is still two unresolved points:
  • Pipelines design: how can I design the pipeline diameter and length? Regarding the pipeline length, in the spool valve datasheet it is written that the length between the valve and the actuator should be no longer than 2 meters, so can I freely choose any value between 0 and 2 meters?
  • Cylinder stability: Should I perform a motion stability analysis of the pneumatic cylinder or it is not usually necessary?
 
  • #40
serbring said:
  • Pipelines design: how can I design the pipeline diameter and length? Regarding the pipeline length, in the spool valve datasheet it is written that the length between the valve and the actuator should be no longer than 2 meters, so can I freely choose any value between 0 and 2 meters?
  • Cylinder stability: Should I perform a motion stability analysis of the pneumatic cylinder or it is not usually necessary?
Hi Serbring. I'd suggest staying with the recommended 2 meters or less. That minimizes volume and pressure drop through the pipe. Regarding diameter, as long as the pipe/tube is the same as your port size, you should be fine. As for motion stability analysis, I would suggest you simply allow yourself some time to tune the system once you put it together. You should count on some time for testing including upset conditions and just monitoring overall performance over some period of time. You might consider having automated data collection so you can review data every so often and verify things are functioning as anticipated.
 
  • #41
Q_Goest said:
Hi Serbring. I'd suggest staying with the recommended 2 meters or less. That minimizes volume and pressure drop through the pipe. Regarding diameter, as long as the pipe/tube is the same as your port size, you should be fine. As for motion stability analysis, I would suggest you simply allow yourself some time to tune the system once you put it together. You should count on some time for testing including upset conditions and just monitoring overall performance over some period of time. You might consider having automated data collection so you can review data every so often and verify things are functioning as anticipated.


Hi Q_Goest,

I supposed for pneumatic pipes there are similar rule of thumbs as for hydraulic pipes. As example this:

http://www.google.it/url?sa=t&rct=j&q=&esrc=s&source=web&cd=1&cad=rja&uact=8&ved=0CDEQFjAA&url=http%3A%2F%2Fwww.ihservice.com%2FPDF%27s%2FTube%2520Selection%2520Chart.pdf&ei=Gy-MU6e-PJD70gXrnIG4Dg&usg=AFQjCNEmCwyaFTVE7rr5xcGoKAAhT6xWPQ&sig2=UpFhBxa-7hyRP9nnQHBb8A&bvm=bv.67720277,d.d2k

The only parameter I can do for stabilizing the system is the pipe length, right?
 
  • #42
Hi serbring. Tables and graphs aren't generally used for compressible flow. In fact, they're generally not used for hydraulic flow either. The most common method of determining flow rate and pressure drop for a fluid through a pipe or tube is to use the Darcey Weisbach equation coupled to the Benoulli equation. Unfortunately, it's a lot more complex than looking at some tables such as the ones you linked to.

One of the best references for this is the Crane paper, TP 410. It's the most widely recognized text for determining pressure drop and flow rate. The paper (thin textbook really) is rewritten regularly.

If you don't want to pay for it, and I'd suggest if you aren't going to spend weeks or months studying it to understand how to perform a flow analysis, you might try an online calculator such as the one here: http://www.engineeringtoolbox.com/darcy-weisbach-equation-d_646.html

To be honest though, if you're keeping the pipe length short (2 meters), there's no need to even look at pressure drop through your pipe. It will be very small and insignificant. That's one of the reasons they suggest keeping your pipe length so short. Making it shorter than that won't change anything. The longer you make it, the more impact it will have on your system so I'd suggest not making it longer unless you really need to and then step up a size in diameter if it gets significantly longer.
 
  • #43
Q_Goest said:
Hi serbring. Tables and graphs aren't generally used for compressible flow. In fact, they're generally not used for hydraulic flow either. The most common method of determining flow rate and pressure drop for a fluid through a pipe or tube is to use the Darcey Weisbach equation coupled to the Benoulli equation. Unfortunately, it's a lot more complex than looking at some tables such as the ones you linked to.

One of the best references for this is the Crane paper, TP 410. It's the most widely recognized text for determining pressure drop and flow rate. The paper (thin textbook really) is rewritten regularly.

If you don't want to pay for it, and I'd suggest if you aren't going to spend weeks or months studying it to understand how to perform a flow analysis, you might try an online calculator such as the one here: http://www.engineeringtoolbox.com/darcy-weisbach-equation-d_646.html

To be honest though, if you're keeping the pipe length short (2 meters), there's no need to even look at pressure drop through your pipe. It will be very small and insignificant. That's one of the reasons they suggest keeping your pipe length so short. Making it shorter than that won't change anything. The longer you make it, the more impact it will have on your system so I'd suggest not making it longer unless you really need to and then step up a size in diameter if it gets significantly longer.

Thanks for your reply. I have asked you for it, because I'm always curious to understand things.

I found the an ald edition of the book you meantioned, I'll take a look on it. What about the stability? Shorter the pipes are and less stable is the system, right?
 
  • #44
Shorter pipes should be more stable because you have less volume and flow restriction. But with a pipe as short as 2 m, having something shorter won't make a noticable difference on stability.
 
  • #45
Q_Goest said:
Shorter pipes should be more stable because you have less volume and flow restriction. But with a pipe as short as 2 m, having something shorter won't make a noticable difference on stability.

Ok thanks again. I supposed: longer pipes are equivalent to damping for a mechanical system, so longer is the pipe the motion magnitude at the resonance frequency will be lower.

I'm updating the pneumatic circuit, is there any standard way to point out the line length? As example indicate that a specific line length must be shorter than 2m?

thanks
 
  • #46
Are you creating a drawing for the installation? Something to show where the valve is to be mounted and where the brake is, what tubing to run, etc... ?

I'd show something like line length on a drawing and maybe even cover it with a note which indicates not to exceed 2 m in length.
 
  • #47
Q_Goest said:
Are you creating a drawing for the installation? Something to show where the valve is to be mounted and where the brake is, what tubing to run, etc... ?

I'd show something like line length on a drawing and maybe even cover it with a note which indicates not to exceed 2 m in length.

Thanks Q_Goest.

I have another question. It's necessary that the pressure in the brake cylinder rises of 3*bar/s, that is 0.33 s/bar with a volume of 2l in the worst case (that is when the pad are woren out). This would allow me to verify the valve flowrate. So using the Ideal gas law and supposing the pad is in contact with the disc (when the brake cylinder is completely extended), I can compute the air mass necessary to increase the brake pressure of 1 bar (from 4bar to 5bar) at 300 K is:

[itex]\Delta M=[/itex][itex]\frac{\Delta P V}{R T}=\frac{1e5*2e-3}{287.058 *300 K}=0.0023 kg/s[/itex]

I have the feeling the mass is very low and I believe this is because this formula doesn't take into account any comprimibility effect and therefore the mass can be understimated. Checking in the following the compressibility factor is close to the unity so in this condition it is plausible to assume air as ideal. Is it correct?

http://www.enggcyclopedia.com/2011/09/air-compressibility-factor-table/
 
  • #48
Correct - air under ambient conditions can be approximated as being an ideal gas. Your interpretation of the chart is correct.

I checked your work and came up with the same answer (0.0023 kg/s) for increasing a 2 liter volume by 1 bar. So you can use this to determine how large a valve you require or how far open the valve needs to be to get that flow rate.
 
  • #49
Q_Goest said:
Correct - air under ambient conditions can be approximated as being an ideal gas. Your interpretation of the chart is correct.

I checked your work and came up with the same answer (0.0023 kg/s) for increasing a 2 liter volume by 1 bar. So you can use this to determine how large a valve you require or how far open the valve needs to be to get that flow rate.

Thanks,

under this assumption, a valve the valve with a similar pneumatic connection to the one of the brake (G3/8) has a too high flow rate. So I need a pneumatic adaptor, is there any issue in using adaptors that I should consider?
 
  • #50
If a valve with a smaller port size on it will give you the correct flow rate and that port size is smaller than what is on the brake, go ahead and use a reducer somewhere. The only other option is to increase the volume of your brake, and that's not a particularly good answer.
 
  • #51
Q_Goest said:
If a valve with a smaller port size on it will give you the correct flow rate and that port size is smaller than what is on the brake, go ahead and use a reducer somewhere. The only other option is to increase the volume of your brake, and that's not a particularly good answer.

I'm sorry my question was specific enough. The brake has G3/8 and the valve G1/4, so there is no problem, right?
 
  • #52
serbring said:
I'm sorry my question was specific enough. The brake has G3/8 and the valve G1/4, so there is no problem, right?
That's correct.
 
  • #53
Q_Goest said:
That's correct.

great. Q_Goest, thanks a lot for your precious help! :)
 
  • #54
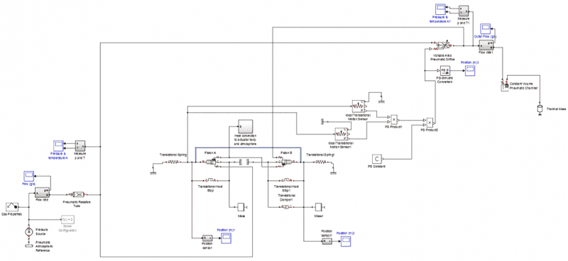
I am new to simscape and trying to setup a similar pressure regulator model. It seemed like I connected all the elements correctly but I am not getting the expected results.

I have attached a pic of the regulator and of the simscape model as well below.

Can someone please let me know if the elements are correctly connected ? Any advise, help , suggestion is appreciated.

upload_2015-6-8_13-20-31.png

Regulator Model

upload_2015-6-8_13-2-15.png


Simscape Model
 
Last edited:

Similar threads

  • · Replies 1 ·
Replies
1
Views
3K
Replies
6
Views
2K
  • · Replies 1 ·
Replies
1
Views
1K
Replies
3
Views
12K
  • · Replies 0 ·
Replies
0
Views
523
Replies
1
Views
3K
  • · Replies 2 ·
Replies
2
Views
2K
Replies
5
Views
3K
  • · Replies 27 ·
Replies
27
Views
11K
Replies
9
Views
4K