The Minimum voltage requirement for an RC Oscillator

Click For Summary

Discussion Overview

The discussion centers around the minimum voltage requirement for an RC oscillator circuit using a 2N3904 transistor. Participants explore the design considerations, operational points, and potential issues affecting the circuit's functionality, particularly in relation to supply voltage and component values.

Discussion Character

  • Technical explanation
  • Debate/contested
  • Exploratory

Main Points Raised

  • One participant questions whether the circuit was designed with specific assumptions regarding the DC operational point and gain requirements.
  • Another suggests that insufficient supply voltage may be a factor, emphasizing the need for the transistor to operate within its active region.
  • A rough calculation indicates that the base voltage may be too low for proper transistor operation.
  • It is noted that at least a 5V supply is necessary for the transistor to begin turning on, with a recommendation to adjust the circuit's biasing.
  • Some participants propose that with adjustments to component values, the circuit could function at 5 volts.
  • Concerns are raised about the circuit's design, indicating it may have originally been intended for a 9V supply, and that simulation results show it may not oscillate until reaching around 8V.
  • Issues with gain and component values are discussed, including the need to increase the emitter capacitor and reduce the emitter resistor to facilitate oscillation.
  • One participant expresses frustration over the original poster's lack of additional information, suggesting it hinders the troubleshooting process.
  • Another participant advises measuring the voltage across the emitter resistor to diagnose whether the transistor is turning on properly.

Areas of Agreement / Disagreement

Participants express multiple competing views regarding the circuit's design and operational requirements. There is no consensus on the minimum voltage requirement or the specific adjustments needed to achieve oscillation.

Contextual Notes

Limitations include potential missing assumptions about the circuit design, the dependence on specific component values, and unresolved calculations regarding the operational point and gain requirements.

Who May Find This Useful

Individuals interested in circuit design, particularly those working with oscillators and transistor applications, may find this discussion relevant.

leehyong
Messages
1
Reaction score
1
Hi
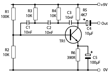
I am trying to run an RC oscillator using a 2N3904
(Datasheet for reference: http://www.kynix.com/uploadfiles/pdf8798/2N3904.pdf)
The circuit looks like the following.
kdsq5.png


I want to run it at 0-5v but I failed, I assume it is because the voltage is not high enough?

What would you expect the minimum voltage requirement to be for this type of circuit.
 
  • Like
Likes   Reactions: Delta2
Engineering news on Phys.org
Did you DESIGN the circuit based on some assumptions/requirements for th DC operational point?
Did you recalculate this operational point? Do you know (from oscillator theory) how much gain is necessary?
 
leehyong said:
I assume it is because the voltage is not high enough?
Hi leehyong. :welcome:

Possibly it could be insufficient supply voltage.

Two independent set of conditions must be met. The first involves DC biasing: if you remove all of the capacitors from the circuit then what you are left with must set the transistor's operation comfortably within its active region (linear amplifying).

⏩ Are you able to analyse the circuit with all capacitors missing to determine the expected DC voltage at its 3 nodes?

What do you plan to use the oscillator for?
 
NascentOxygen said:
Possibly it could be insufficient supply voltage.
That`s for sure.
A rough calculation of the base voltage (forgetting the base current) gives only app. VB=5*10/110<0.5 volts.
 
The 100k : 10k voltage divider sets the transistor base bias voltage.
It will need at least a 5V supply before the transistor begins to turn on.
I would remove the 10k between the base and ground then find a minimum voltage.
 
With a little tweaking of component values this should easily run on 5 volts.
 
Averagesupernova said:
With a little tweaking of component values this should easily run on 5 volts.
Yes - of course. Therefore my question in post#2 if the OP has designed the circuit.
 
There are a number of problems with this circuit, all of which conspire to prevent oscillation. One is the time it takes to start, if it ever does. Spice simulation shows it does not start until the supply voltage reaches about 8V.

Another problem is the gain of the transistor amplifier needed to overcome the losses in the phase shift network at the frequency of operation. The emitter capacitor needs to be increased to raise the gain at lower frequencies. Scaling the frequency down by increasing the capacitors in the feedback circuit necessitates increasing the emitter capacitor to restore that gain. That was not done with the OP circuit.

The emitter resistor needs to be reduced to enable the transistor amplifier to drive greater loads on the output without killing the oscillation.
 
  • #10
I am always surprised when - as in the present case - somebody seems to have a problem and is asking for help, but is not willing to give requested additional information. Even worse - sometimes it seems that he is not interested anymore. Really a bad behaviour.
 
  • Like
Likes   Reactions: sophiecentaur
  • #11
Measure the volts across the 390R in the Emitter. It should be more than Zero, which it will be if the transistor does not turn on. (due to wrong base bias volts)
If you disconnect the 10k resistor in the base, the Emitter Volts should go to a non zero value. From the diagram, it looks like a simulation.
Please take note of the above post (from LvW), if you want any more help . . . . . ever.
 

Similar threads

  • · Replies 41 ·
2
Replies
41
Views
8K
  • · Replies 5 ·
Replies
5
Views
4K
  • · Replies 27 ·
Replies
27
Views
3K
  • · Replies 5 ·
Replies
5
Views
3K
Replies
3
Views
2K
  • · Replies 2 ·
Replies
2
Views
2K
  • · Replies 6 ·
Replies
6
Views
2K
  • · Replies 38 ·
2
Replies
38
Views
24K
  • · Replies 8 ·
Replies
8
Views
2K
  • · Replies 25 ·
Replies
25
Views
4K